EasyManua.ls Logo

Inovance MD320 Series - Schematic Diagram for Three-Phase Inverter Connection

Inovance MD320 Series
204 pages
Print Icon
To Next Page IconTo Next Page
To Next Page IconTo Next Page
To Previous Page IconTo Previous Page
To Previous Page IconTo Previous Page
Loading...
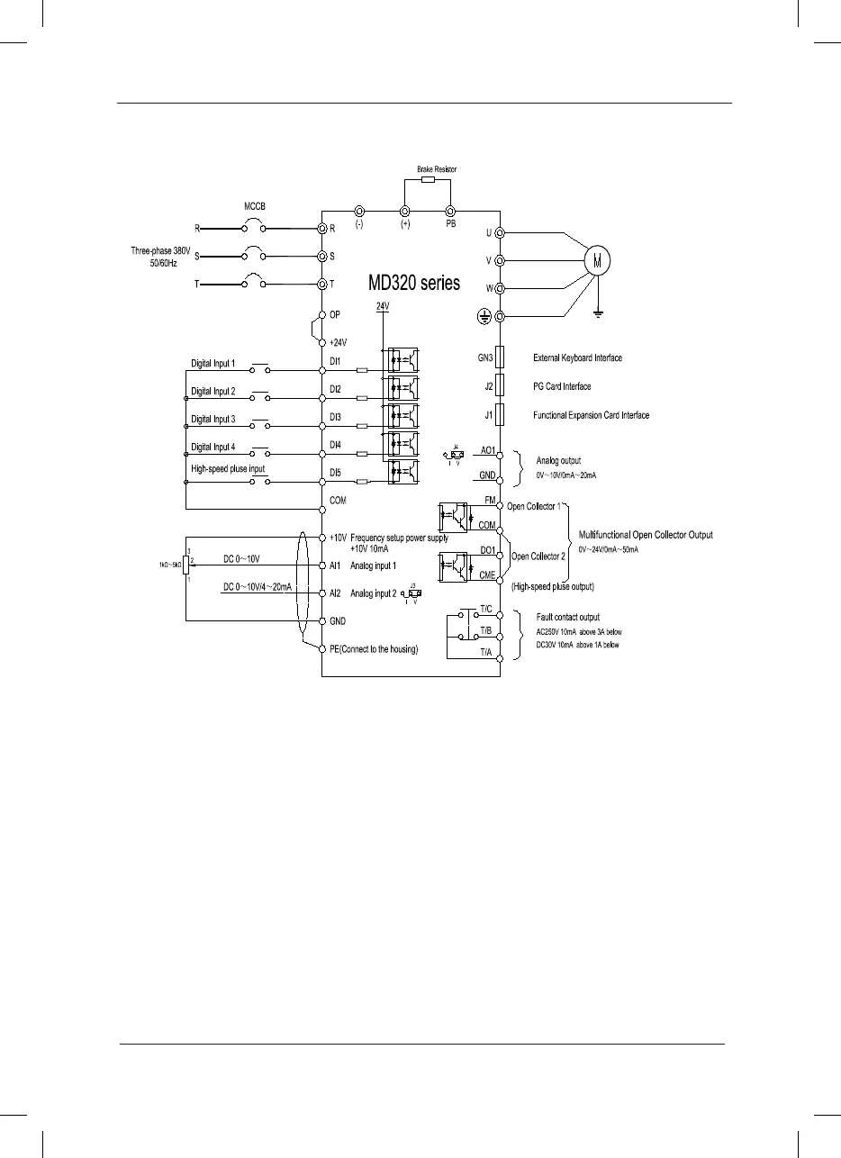
MD320/MD320N User Manual Mechanical and Electric Installation
49
Fig. 3-6 Schematic Diagram for Three-phase Inverter Connection
Precautions are as follows:
1. Terminal
refers to the main circuit terminal
,
Terminal ○ refers to the control circuit terminal.
2. The 0.75kW~15kW Auto unit is the standard conguration.
3. 7.5kW~55kW is build-in DC reactor.
4. The selection of the braking resistor is according to the user need. See the prototyping Guide
of braking resistor for details.
Schematic Diagram for Three-phase Inverter Connection:

Table of Contents

Related product manuals