EasyManua.ls Logo

Inovance MD320 Series - Connection with Dry Contact Sharing the Negative Pole; DI Terminal Connection; Digital Input Terminal

Inovance MD320 Series
204 pages
Print Icon
To Next Page IconTo Next Page
To Next Page IconTo Next Page
To Previous Page IconTo Previous Page
To Previous Page IconTo Previous Page
Loading...
Mechanical and Electric Installation MD320/MD320N User Manual
56
B. Digital input terminal:
It needs to employ shielded cable generally, with cable length of no more than 20 meters.
When active driving is adopted, necessary filtering measures shall be taken to prevent the
interference to the power supply.
It is recommended to use the contact control mode.
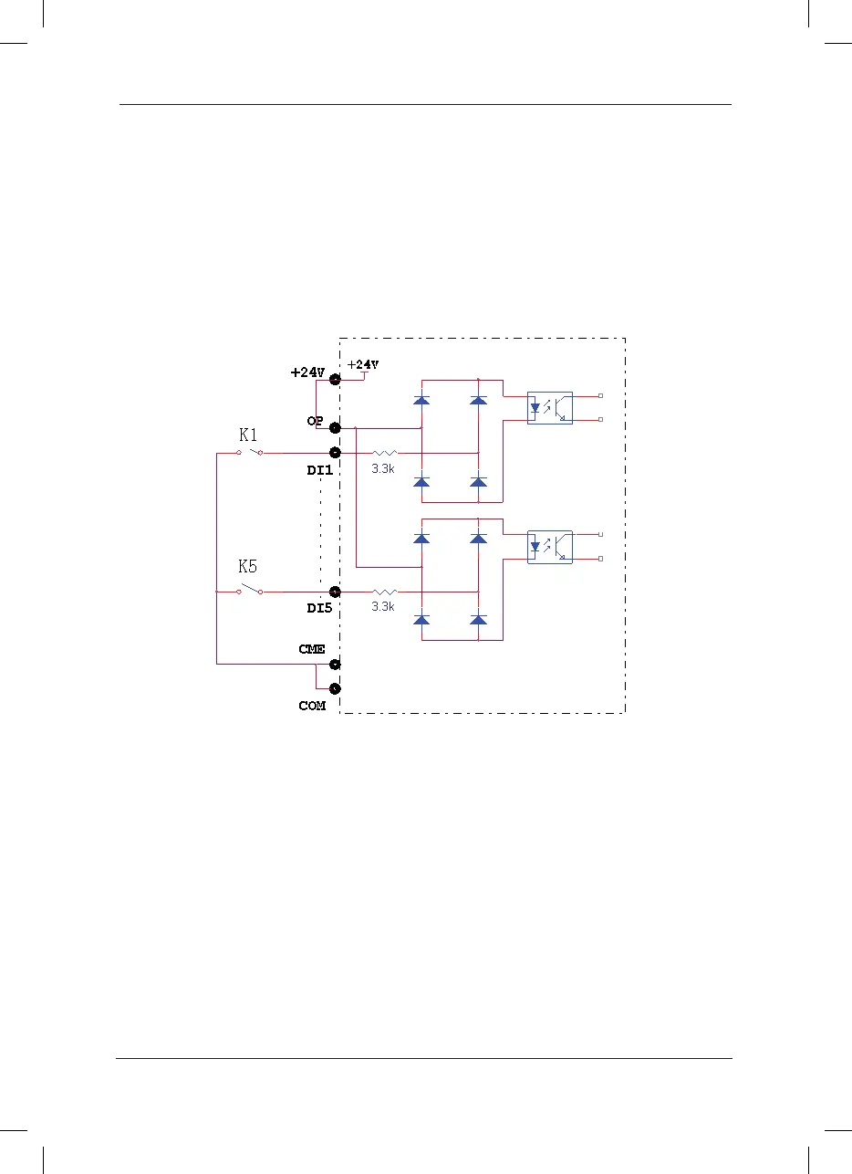
C. DI Terminal Connection:
1. Connection with dry contact sharing the negative pole
Inve rter Control Boa rd
Fig.3-11 Connection with dry contact sharing the negative pole
This is the most commonly used connection mode. If external power supply is used, it must
remove the short circuit copper bars between +24V and OP and between COM and CME
respectively, and connect the positive pole of external power supply to OP and negative pole to
CME.
Inverter Control Board

Table of Contents

Related product manuals