EasyManua.ls Logo

INVT DA180-S5R0SG0

INVT DA180-S5R0SG0
316 pages
To Next Page IconTo Next Page
To Next Page IconTo Next Page
To Previous Page IconTo Previous Page
To Previous Page IconTo Previous Page
Loading...
DA180 series basic AC servo drive Control modes
-32-
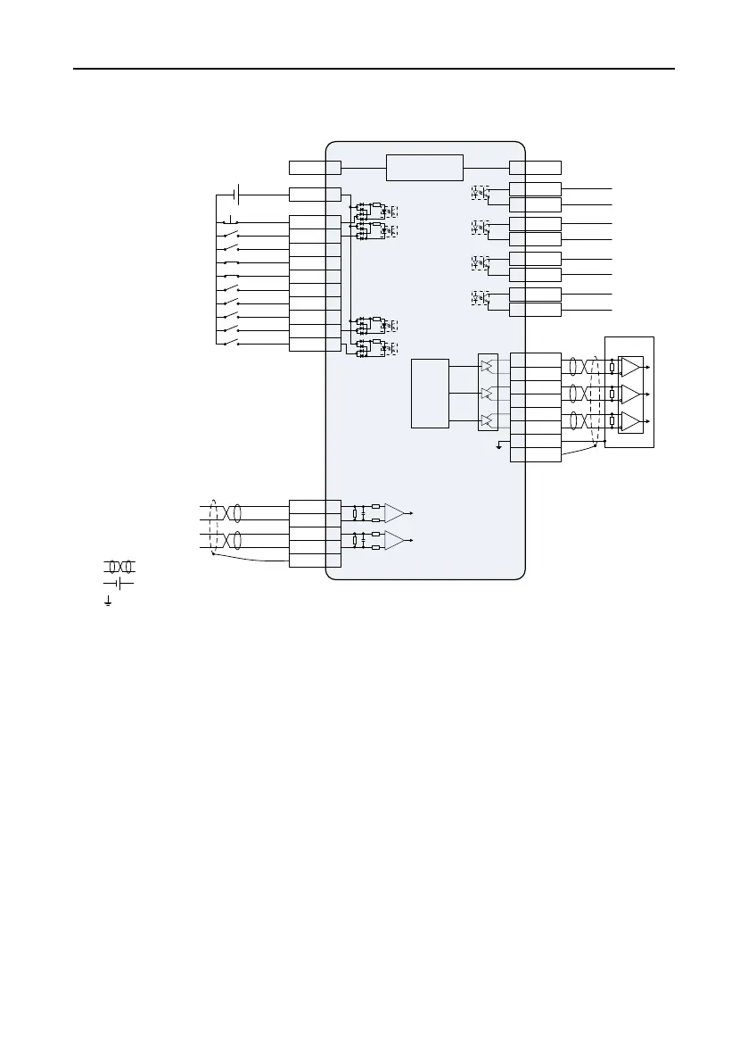
4.2 Standard wiring diagram for speed control
Frequency
divider
External
controller
Note: user provided
DC12~24V
- +
DI
common terminal
EMG 39
SON 16
ZRS 37
POT 3
NOT 4
CLA 10
SPD1 34
SPD2 17
S/SIGN 18
PLC 22
Gain switching
Speed command
sign
Internal speed
selection 2
Internal speed
selection 1
Alarm clearing
Servo enabling
Zero speed clamp
COM+ 2
44 OA+
43 OA-
41 OB+
42 OB-
FG
AD1 20
GND 6
AD2 7
GND 6
FG
AM26LS32
or equivalent chip
28 OZ+
27 OZ-
󴘐
󴘐
6 GND GND
CN1
Analog input 1
Analog input 2
Analog signal GND
Analog signal GND
Max load
capability for
each output
terminal:
DC30V, 50mA
15 ALM+
19 ALM-
Fault alarm output
14 RDY+
5 RDY-
Servo being ready
29 ZSO+
35 ZSO-
Zero speed output
11 COIN+
8 COIN-
Speed consistency
12V 40
Internal DC12V power
Note: Capacity 100mA
12 GND
Emergency stop
Forward drive
disabling
Reverse drive
disabling
Speed control mode
1. ( ) is shielded twisted cable.
2. ( ) is user-provided power.
3. ( ) is GND, corresponding to pin 6/12.
Note:

Table of Contents

Related product manuals