EasyManua.ls Logo

INVT SV-DA200-2R0-4 - Outline and Installation Dimension for 80 Base (MM)

INVT SV-DA200-2R0-4
300 pages
Print Icon
To Next Page IconTo Next Page
To Next Page IconTo Next Page
To Previous Page IconTo Previous Page
To Previous Page IconTo Previous Page
Loading...
SV-DA200 series AC servo drive Installation instruction
-24-
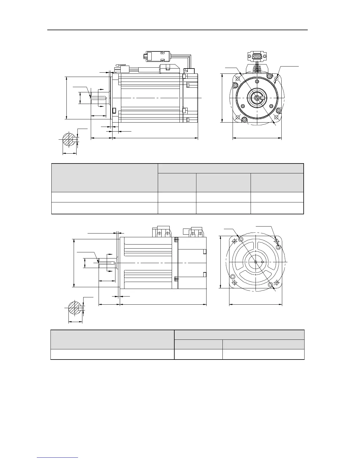
2.3.3 Outline and installation dimension for 80 base (mm)
Φ19h
7
35 L
3
10
Φ70h7
25
M5 depth 10
80
80
Φ90
4-Φ6.3
6h9
A-A
21.5
A
A
2
Motor model (2500-PPR/multi-turn
absolute value/rotary transformer)
L(mm)
W/o brake
Permanent magnet
brake
Electromagnetic
brake
SV-ML08-0R7G-2-A
140
186
186
SV-MH08-0R7G-2-A
151
205
205
####
Φ19h7
35 L
25
Φ70h7
3
A
A
M5 depth 15
80
80
Φ90
4-Φ6.3
6h9
A-A
21.5
Φ19.5×2
Motor model
(17-bit single-turn encoder)
L(mm)
W/o brake
Electromagnetic brake
SV-ML08-0R7G-2-3A
141
173

Table of Contents

Related product manuals