EasyManua.ls Logo

INVT SV-DA200-2R0-4 - Wiring of Frequency Division Output Circuit of Encoder Feedback Signal; Open-Collector Mode

INVT SV-DA200-2R0-4
300 pages
Print Icon
To Next Page IconTo Next Page
To Next Page IconTo Next Page
To Previous Page IconTo Previous Page
To Previous Page IconTo Previous Page
Loading...
SV-DA200 series AC servo drive Control mode applications
-68-
When inductive loads such as relay coil are connected, a free wheel diode must be fitted as
shown in the figure; when optical coupler is connected, current limit resistor must be connected,
otherwise the drive will be damaged.
The local 24V power supply only can provide 100mA current. If the actual load current is larger
than 100mA, the user should provide the power supply by themselves. The recommended
capacity is greater than 500mA.
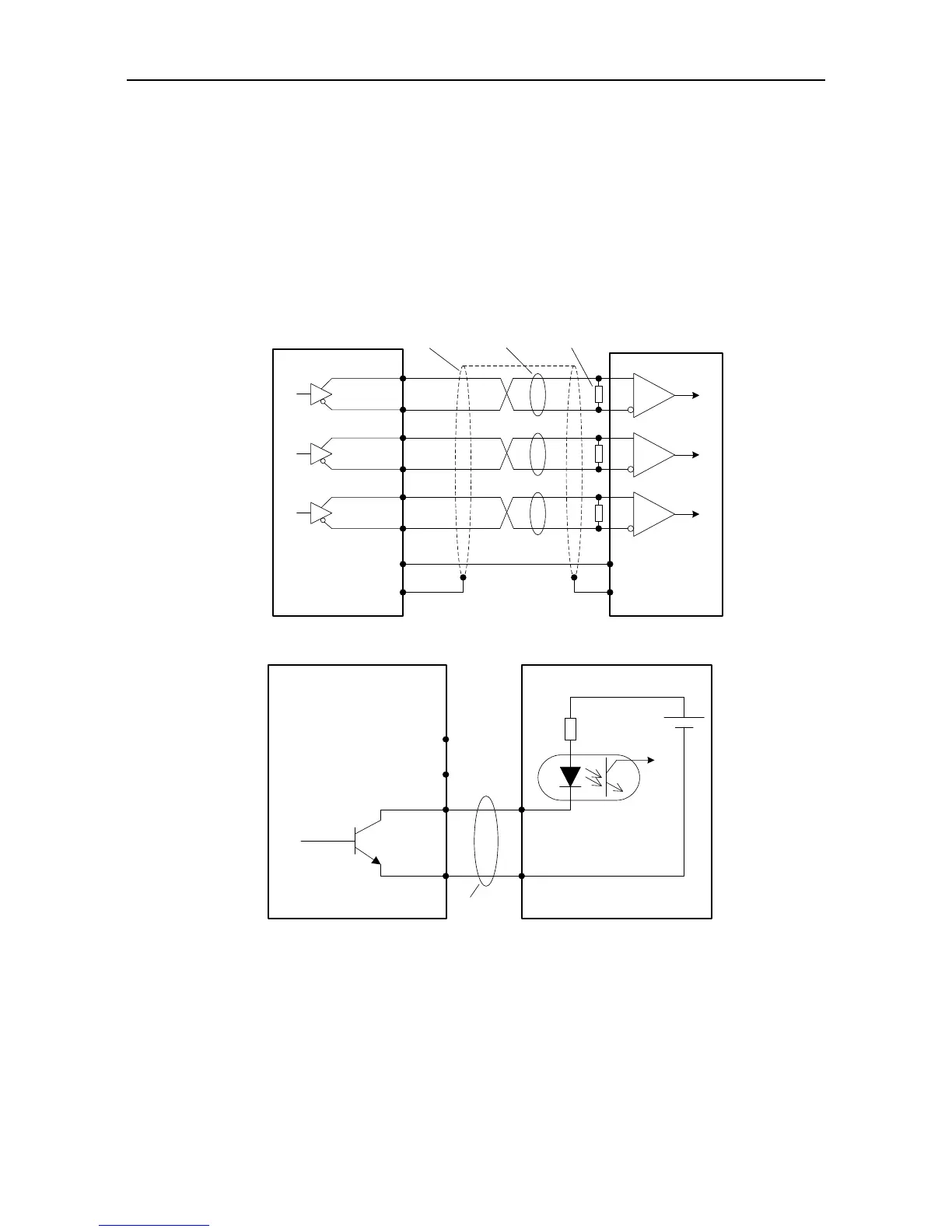
4.5.5 Wiring of frequency division output circuit of encoder feedback signal
Differential mode:
Drive side
OA+ 44
OA- 43
OB+ 41
OB- 42
OZ+ 28
OZ- 27
GND 5
Twisted
pair
Terminal
resistor
AM26LS32
or equivalent chip
GND
Shielded
cable
Connect to shielded
cable according to
device requirement
Open-collector mode:
Output current 50mA
OCZ 26
Please select optical
coupler
Twisted pair
Drive side Control module side
+
-
OCA 36
OCB 30
GND 5
Vcc
30V
GND
Phase A, B and Z all provide differential output and open-collector output signals.
For differential output signal, it is recommended to use AM26C32 or equivalent differential
receiving chip and be sure to fit a terminal matching resistor of about 220Ω.
For the phase A, B, Z signal of open-collector output, as the signal pulse width is very narrow,
the user shall use high speed optical coupler to receive this signal.
Both output circuits have no isolation.

Table of Contents

Related product manuals