EasyManua.ls Logo

IPSO IPD30STG - MOTOR ASSY; PARTS - TUMBLER ASSEMBLY

IPSO IPD30STG
56 pages
Print Icon
To Next Page IconTo Next Page
To Next Page IconTo Next Page
To Previous Page IconTo Previous Page
To Previous Page IconTo Previous Page
Loading...
Page 52
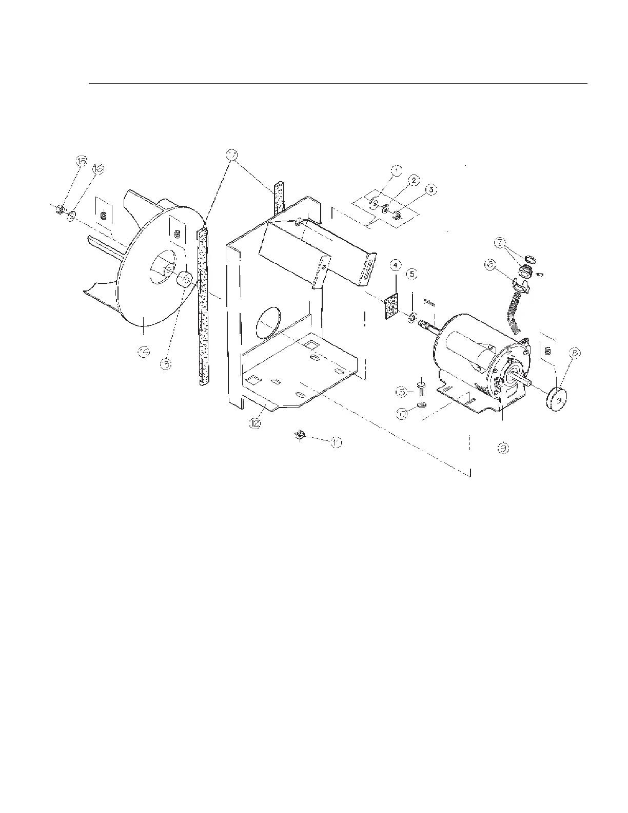
PARTS - TUMBLER ASSEMBLY
MOTOR ASS’Y
Ref. Part
No. No. Description
1 IB140 3/8” FLAT WASHER
2 VSB134 3/8” LOCK WASHER
3 TU4787 NUT, 3/8-16
4 DA-00460-0 FELT SEAL
5 FB124 WASHER 5/16-18
6 EA-00648-0 BRACKET CLIP
7 EA-00211-0 CONNECTOR 3/8” STRT
8 DA-00510-0 PULLEY, 2.5 (50HZ)
DA-00516-0 PULLEY, 2 (60HZ)
9 DA-00428-0 MOTOR 1/2HP-115/230V 1PH
DA-00447-0 MOTOR 1/2HP-220/380V 1PH
10 VSB130 5/16 WASHER
11 C249 NUT
12 TUD0180 MOTOR MOUNT W/A
13 FG364 FAN SPACER
14 TUD0032 FAN
15 SB-00813-0 LOCK NUT
16 SB-00847-0 WASHER 1”
17 TU2853 FOAM GASKET

Related product manuals