EasyManua.ls Logo

Jandy LXi - Detailed Exploded View

Jandy LXi
56 pages
Print Icon
To Next Page IconTo Next Page
To Next Page IconTo Next Page
To Previous Page IconTo Previous Page
To Previous Page IconTo Previous Page
Loading...
Page 54 LXi
Pool/Spa Heater Installation and Operation Manual
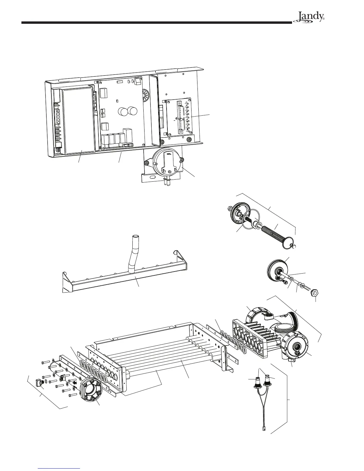
11.4 Detailed Exploded View
33 48
28
47
5
7
6
17
10
12
2
3
11
37
38
40
12
8
39
15
11
30
29
32
14
31
4
(qty 2)
8
8

Table of Contents

Other manuals for Jandy LXi

Related product manuals