EasyManua.ls Logo

JUMO dTRANS p20 - Ex Area Connection Diagram

JUMO dTRANS p20
84 pages
Print Icon
To Next Page IconTo Next Page
To Next Page IconTo Next Page
To Previous Page IconTo Previous Page
To Previous Page IconTo Previous Page
Loading...
6 Installation
46
NOTE!
Connecting the HART® communicator or the HART® modem is optional.
A minimum burden must be present on the signal circuit in order to facilitate error-free communication,
see the previous pages.
The burden is usually already integrated when using input isolating amplifiers.
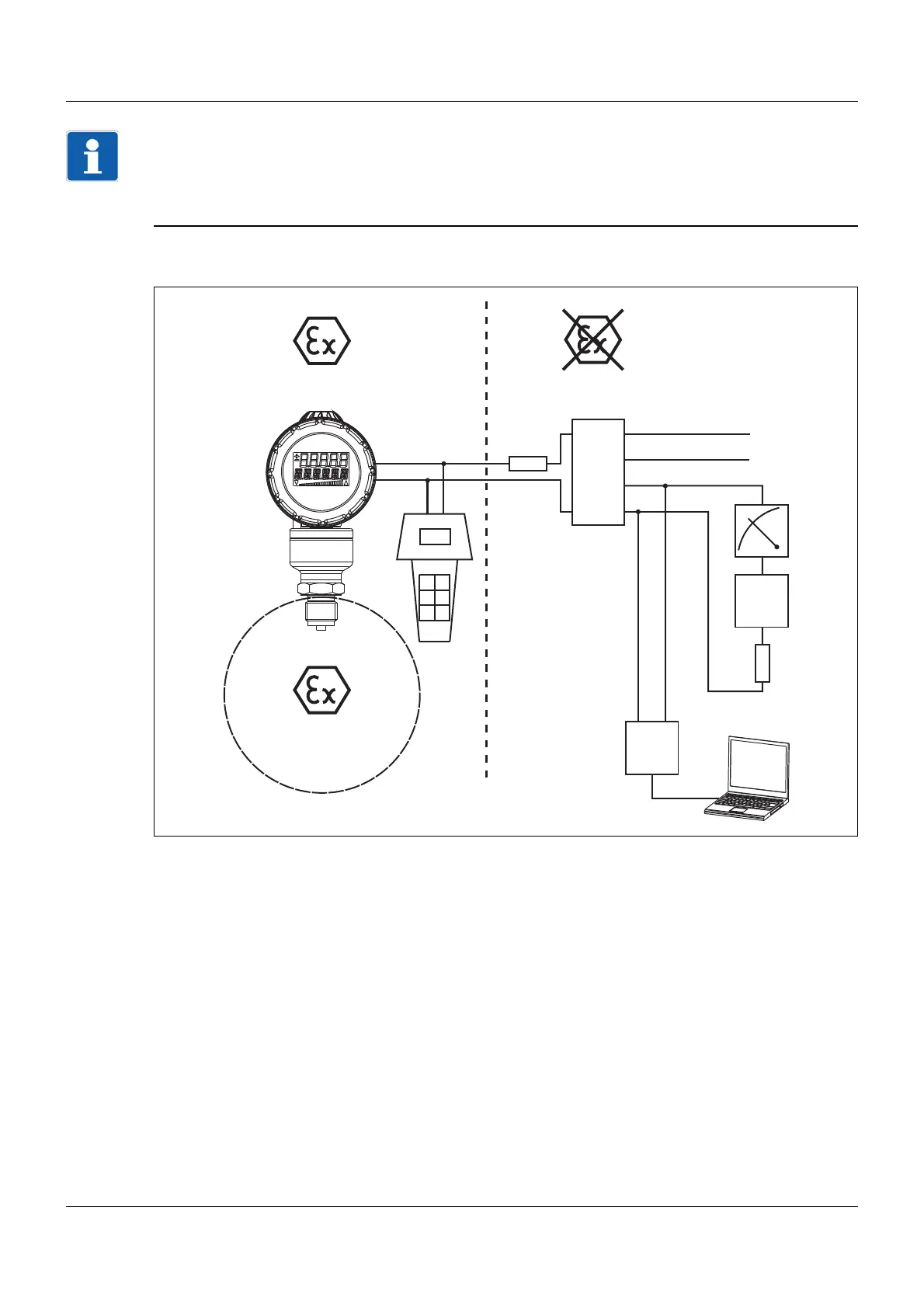
6.4.1 Connection diagram "Ex"
(1) Potentially explosive area zone 0/20
(2) Potentially explosive area zone 1/21
(3) Non-potentially explosive area
(4) Burden for HART® ≤ (U
B
-12 V) ÷ 0.022 A;
additional: min. 250 Ω, max. 1100
The current limiting resistor integrated in the power supply unit must be included in this calculation.
(5) Power supply unit with an isolating converter for connecting explosion-proof transmitters
(6) Indicating device or recorder, controller, PLC, etc.
(7) Further devices
(8) Burden for HART® min. 250 Ω, max. 1100
The current limiting resistor integrated in the power supply unit must be included in this calculation.
(9) HART® modem
(10) PC or notebook
(11) HART® communicator, intrinsically safe
+
+
-
+
-
-
(2)(3)
(4)
(5)
(1)
(6)
(7)
(8)
(9)
(10)
(11)

Table of Contents

Other manuals for JUMO dTRANS p20

Related product manuals