EasyManua.ls Logo

JVC MX-GA77 - Page 56

JVC MX-GA77
89 pages
Print Icon
To Next Page IconTo Next Page
To Next Page IconTo Next Page
To Previous Page IconTo Previous Page
To Previous Page IconTo Previous Page
Loading...
MX-GA77
2-10
ABCD
1
2
3
4
5
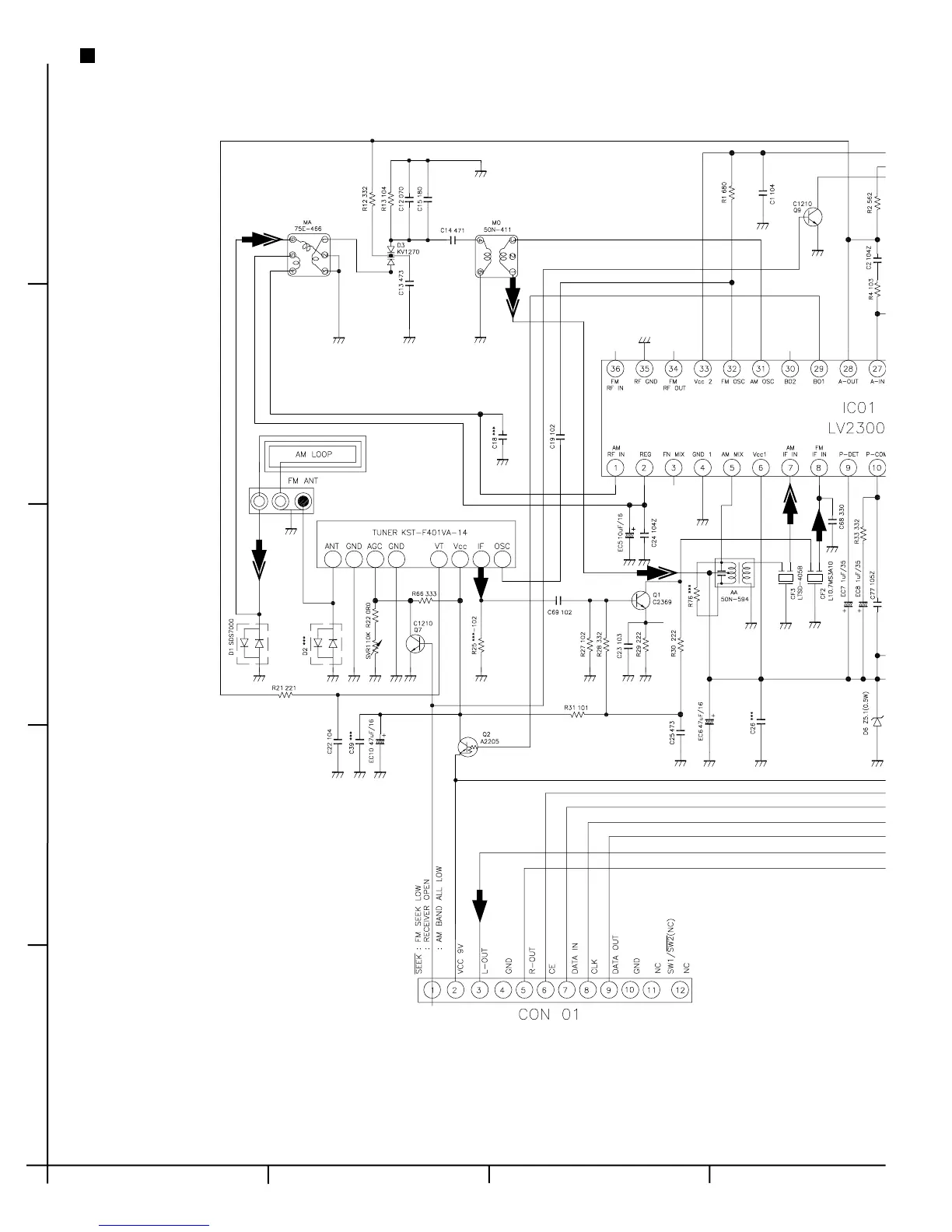
Tuner section
To CW103
SHEET 1/5

Table of Contents

Related product manuals