EasyManua.ls Logo

KEB COMBIVERT F5 BASIC - Page 239

KEB COMBIVERT F5 BASIC
334 pages
Print Icon
To Next Page IconTo Next Page
To Next Page IconTo Next Page
To Previous Page IconTo Previous Page
To Previous Page IconTo Previous Page
Loading...
6
927
KEB COMBIVERT F5
Name: Basis
18.04.02
6
Section PageDate
© KEB Antriebstechnik, 2002
All rights reserved
Chapter
Functional DescriptionSpecial Functions
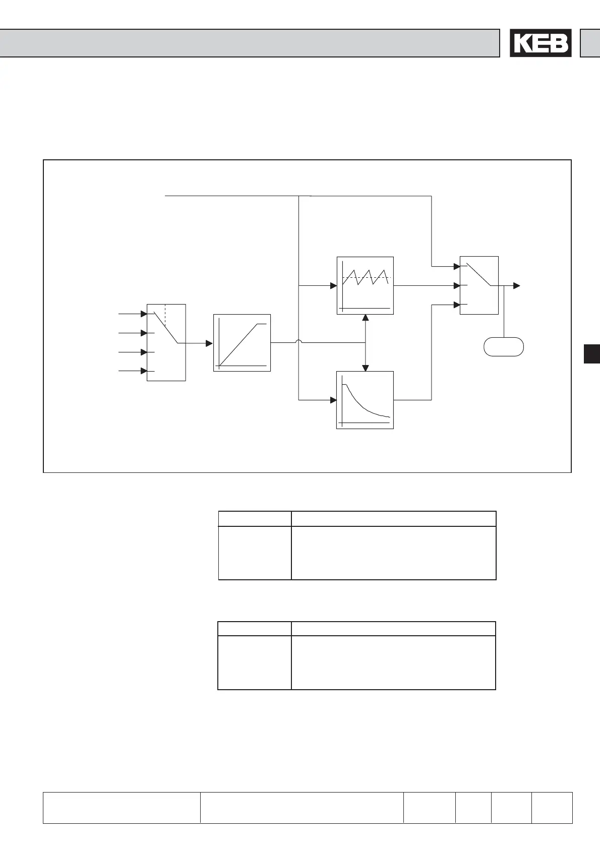
6.9.7 Wobbel Function
0
1
2
3
oP.44
Bit 4...7
AN1 (ru.28)
AN2 (ru.30)
AN3 (ru.32)
digital (oP.45)
oP.46
oP.47, 48
oP.49
0
1
2
oP.44
Bit 0...3
ru.2
Ramp output value
Setpoint
value
Wobbel generator
Diameter correction
Amplitude
Diameter signal
6.9.7 Additonal function: Wobbel generator
The wobbel generator enables in period and amplitude changeable sawtooth process
of the setpoint value. It is activated with the parameter oP.44 Bit 0...3 = „1“.
Additional function/ Mode
(oP.44 Bit 0...3)
Different functions can be activated with oP.44 Bit 0...3. The value is to be added to
Bit 4...7.
oP.44 Bit 0...3 Function
0 no external function activated
1 Wobbel generator acitvated
2 Diameter correction (see Chapt. 6.9.8)
3...15 reserved
The input source for the functions is determined with oP.44 Bit 4...7. The value is to be
added to Bit 0...3.
oP.44 Bit 4...7 Function
0 Analog input AN1
16 Analog input AN2
32 Analog input AN3
48 Digital presetting with oP.45
Additional function/ Source
(oP.44 Bit 4...7)
Additional function
digital setting (oP.45)
If the value „49“ (sweep function with digital specification) is adjusted in oP.44, the
sweep amplitude is preset with oP.45 within the range of 0...100 %.
Additional function
acceleration/deceleration
(oP.46)
With oP.46 a time can be preset between 0...20 s, with which the sweep amplitude
rises/falls. The entered value refers to a sweep amplitude of 100 %.
(not at F5-B)

Table of Contents

Related product manuals