EasyManua.ls Logo

KEB COMBIVERT F5 BASIC - Page 241

KEB COMBIVERT F5 BASIC
334 pages
Print Icon
To Next Page IconTo Next Page
To Next Page IconTo Next Page
To Previous Page IconTo Previous Page
To Previous Page IconTo Previous Page
Loading...
6
929
KEB COMBIVERT F5
Name: Basis
18.04.02
6
Section PageDate
© KEB Antriebstechnik, 2002
All rights reserved
Chapter
Functional DescriptionSpecial Functions
6.9.8 Diameter
Correction
0
1
2
3
oP.44
Bit 4...7
AN1 (ru.28)
AN2 (ru.30)
AN3 (ru.32)
digital (oP.45)
oP.46
oP.47, 48
oP.49
0
1
2
oP.44
Bit 0...3
ru.2
Ramp output value
Setpoint
value
Wobbel generator
Diameter correction
Amplitude
Diameter signal
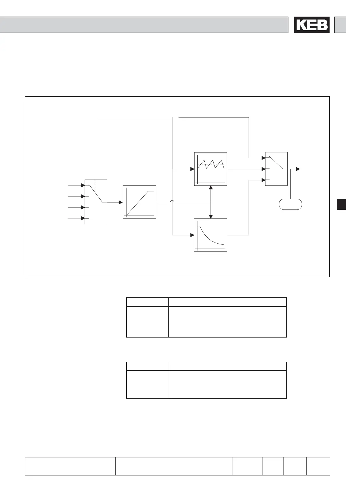
6.9.8 Additional function: Diameter correction
Through the use of the diameter correction the tool path feedrate of a winding product
can be kept constant at changing diameter of the reel bale.
Additional function / Mode
(oP.44 Bit 0...3)
Different functions can be activated with oP.44 Bit 0...3. The value is to be added to
Bit 4...7.
oP.44 Bit 0...3 Function
0 no external function activated
1 Wobbel generator (see Chapter 6.9.7)
2 Diameter correction activated
3...15 reserved
The input source for the functions is determined with oP.44 Bit 4...7. The value is to be
added to Bit 0...3.
oP.44 Bit 4...7 Function
0 Analog input AN1
16 Analog input AN2
32 Analog input AN3
48 Digital presetting with oP.45
Additional function / Source
(oP.44 Bit 4...7)
Additonal function
digital presetting (oP.45)
If the value „50“ (diameter correction with digital specification) is adjusted in oP.44,
the diameter signal can be preset with oP.45 within the range of 0...100 %.
(not at F5-B)

Table of Contents

Related product manuals