EasyManua.ls Logo

KitchenAid KFGS306VSS - Wiring Diagram

KitchenAid KFGS306VSS
60 pages
Print Icon
To Next Page IconTo Next Page
To Next Page IconTo Next Page
To Previous Page IconTo Previous Page
To Previous Page IconTo Previous Page
Loading...
7-2
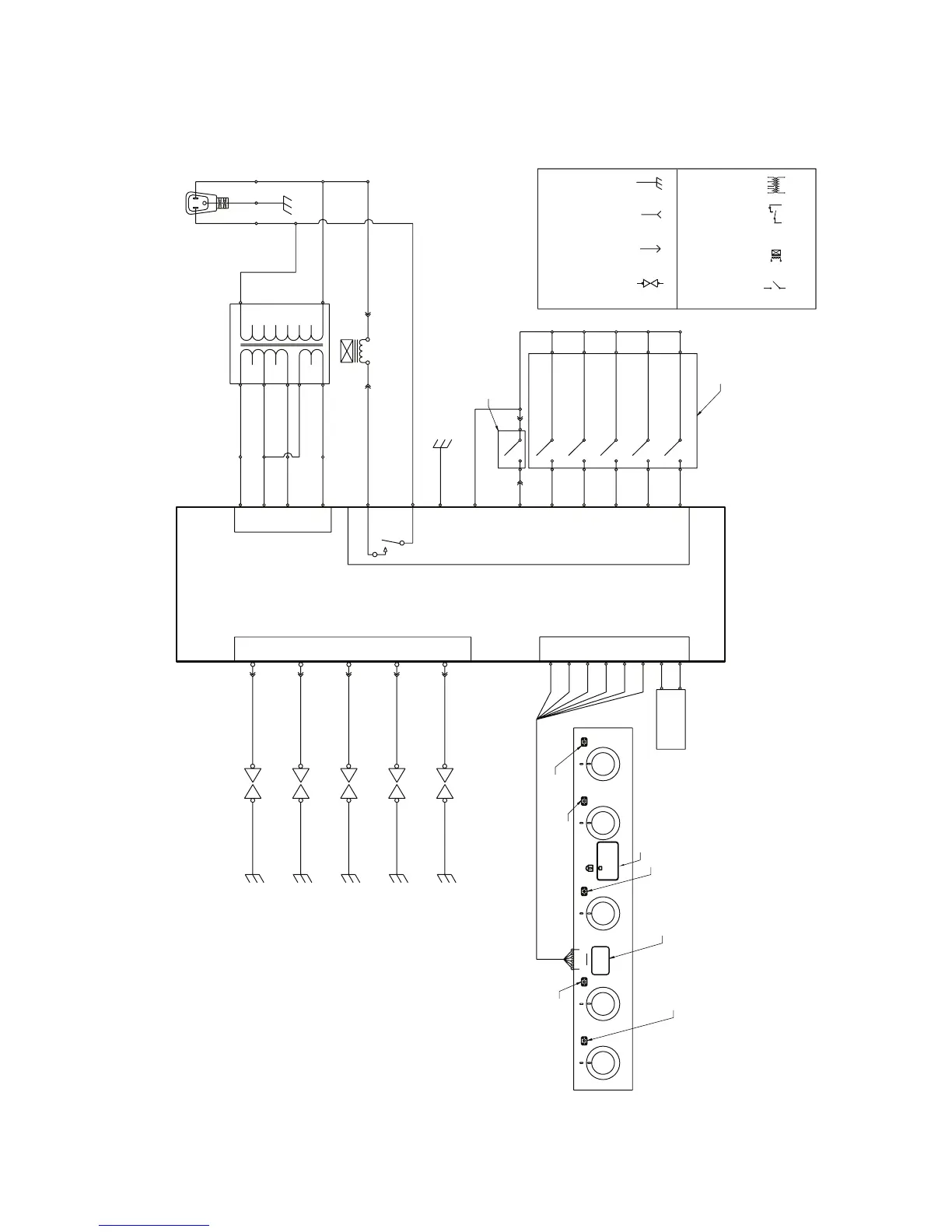
SEDORTCELE
SROTINGI
RENRUB FR
RENRUB RR
RENRUB RETNEC
RENRUB RL
RENRUB FL
RB
UB
YG
Y
OR
S5
S4
S3
S2
S1
ELECTRODES OUTPUT
7896828 NP SSENRAH ECAFRETNI RESU
ROTACIDNI NO RENRUB RR
ROTACIDNI NO RENRUB FR
6666828NP IU
KCOLLORTNOC
ROTACIDNI NO RENRUB RETNEC
ROTACIDNI ECAFRUS TOH
ROTACIDNI NO RENRUB RL
ROTACIDNI NO RENRUB FL
IJ
HOT
ECAFRUS
KCOLLORTNOC
C
ES 5 ROF DLOH
RETSET LOE
ROTCENNOC
KB
W
YG
OR
V
R
RG
W
COMMUNICATION
1-4P
2-4P
3-4P
4-4P
5-4P
6-4P
8-4P
7-4P
DRAOB LORTNOC NOITINGIER
9286
828 NP
1-1P
2-1P
3-1P
4-1P
POWER
R
UB
R
OR
KB
RG
W
YG
KB
RB
UB
YG
Y
OR
01-2P
9-2P
8-2P
7-2P
6-2P
5-2P
4-2P
3-2P
2-2P
1-2P
REMROFSNART
0966828 NP
.4 EGAP,ELBATREMROFSNART EES
R 1
UB 2
R 3
RB 4
KB
W
W
EVLAVDIONELOS
DESOLC YLLAMRON
2838579 NP
ECAFRUS TOH
HCTIWS ROTACIDNI
8507828 NP
W
W
HCTIWS RENRUB FR
HCTIWS RENRUB RR
RETNEC
HCTIWS RENRUB
HCTIWS RENRUB RL
HCTIWS RENRUB FL
SSENRAH HCTIWS
7866828 NP
DROC REWOP
2966828 NP
L N
DNG
BK
GR
W
CONTROL CONNECTION
RO 5
ELECTRONIC CONTROL WIRING DIAGRAM
ELECTRODE
TRANSFORMER
RELAYCONTACTS
SOLENOID VALV E
SWITCH
GROUND (CHASSIS)
PLUG WITHFEMALE
CONNECTOR
RECEPTACLE WITH
MALE CONNECTOR
SYMBOLS
WIRING DIAGRAM

Related product manuals