EasyManua.ls Logo

Kiturami TURBO CONDENSING - 13 - Piping

Kiturami TURBO CONDENSING - 13
53 pages
Print Icon
To Next Page IconTo Next Page
To Next Page IconTo Next Page
To Previous Page IconTo Previous Page
To Previous Page IconTo Previous Page
Loading...
OIL CONDENSING BOILER
INSTALLATION AND USER MANUAL
INSTALLATION & USER MANUAL www.krb.co.kr
17
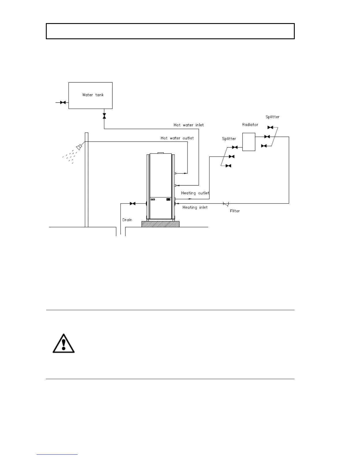
3.4. Piping
Fig. 3.3. Piping system
Please observe the cautions for piping.
The splitters (distributor, manipulator) must be provided with air vent valves.
The feed water line must be provided with a filter unit to remove metal and
other foreign matter in the water.
The hot water line pipes must be coated product or stainless steel products.

Related product manuals