EasyManua.ls Logo

KLUBB KAT 42 - Section 3.2: Machine Overview: Hydraulics

KLUBB KAT 42
56 pages
Print Icon
To Next Page IconTo Next Page
To Next Page IconTo Next Page
To Previous Page IconTo Previous Page
To Previous Page IconTo Previous Page
Loading...
27
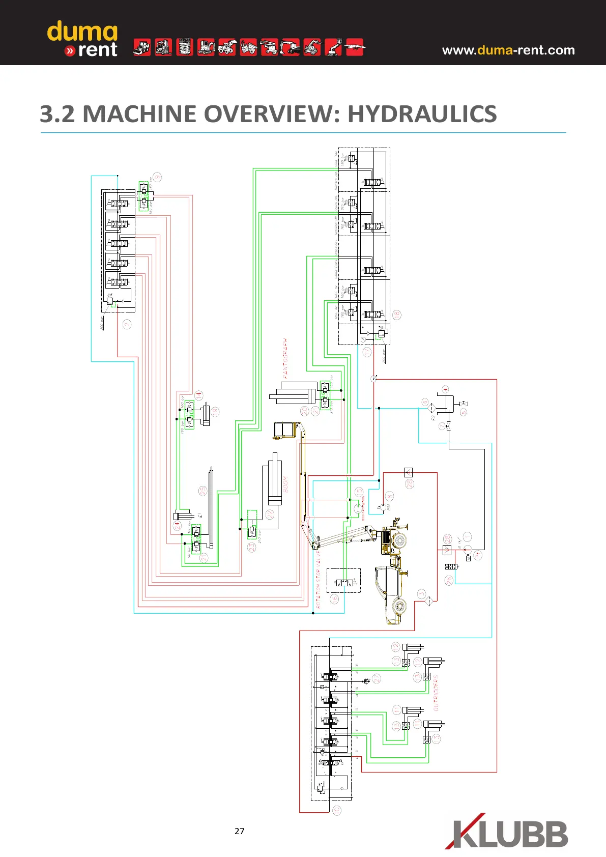
3.2 MACHINE OVERVIEW: HYDRAULICS
E2
E1
150 bar
210 bar
www.duma-rent.com