EasyManua.ls Logo

KMB NOVAR-1007 - Page 70

Default Icon
77 pages
Print Icon
To Next Page IconTo Next Page
To Next Page IconTo Next Page
To Previous Page IconTo Previous Page
To Previous Page IconTo Previous Page
Loading...
Novar 1xxx KMB systems
70
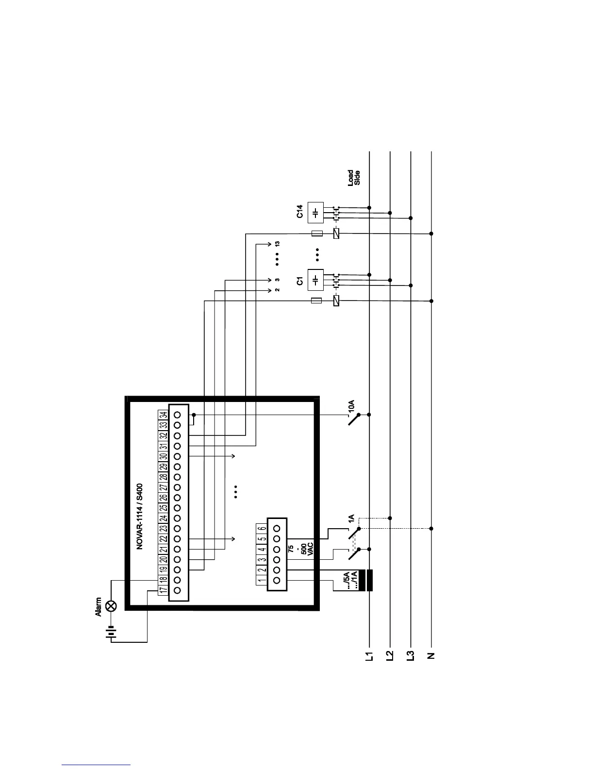
Novar1114/S400 – installation

Table of Contents

Related product manuals