EasyManua.ls Logo

KMC Controls 67 Series - Page 29

Default Icon
72 pages
Print Icon
To Next Page IconTo Next Page
To Next Page IconTo Next Page
To Previous Page IconTo Previous Page
To Previous Page IconTo Previous Page
Loading...
27
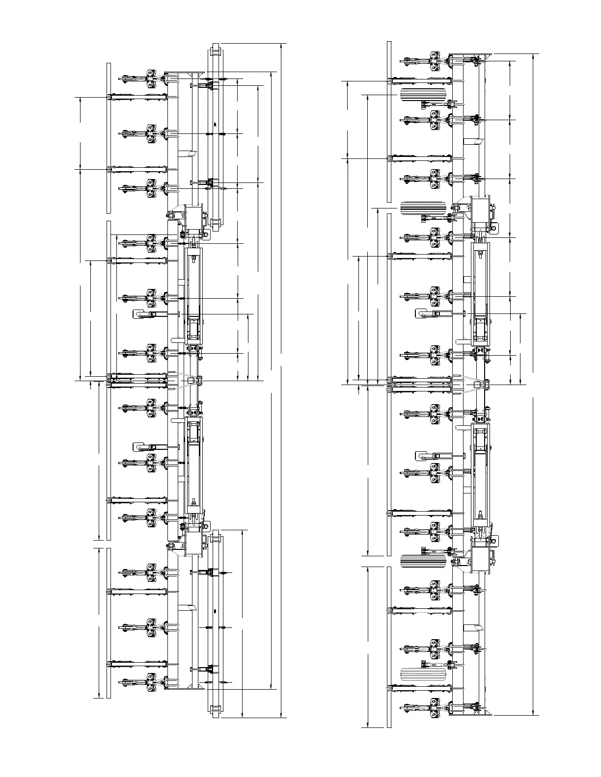
12-ROW 38” STACKFOLD BAR WITH COVER CROP ROLLERS
12-ROW 38” STACKFOLD BAR WITH FRONT COULTERS
19 38
38
38
38 38
46
137 1/8
67
3 80
146 1/8 50 1/8
110104
467
427 1/2
130
101
19
38
38
38 38 38
46
3 80
146 1/8
50 1/8
110104
427 1/2
114 1/8
187 3/8

Related product manuals