EasyManua.ls Logo

Kold-Draft GB564AC - Gb1064 a & L Wiring Diagram

Default Icon
85 pages
Print Icon
To Next Page IconTo Next Page
To Next Page IconTo Next Page
To Previous Page IconTo Previous Page
To Previous Page IconTo Previous Page
Loading...
new 60 Series Service Manual.rev. 06.01.16.docx - 31
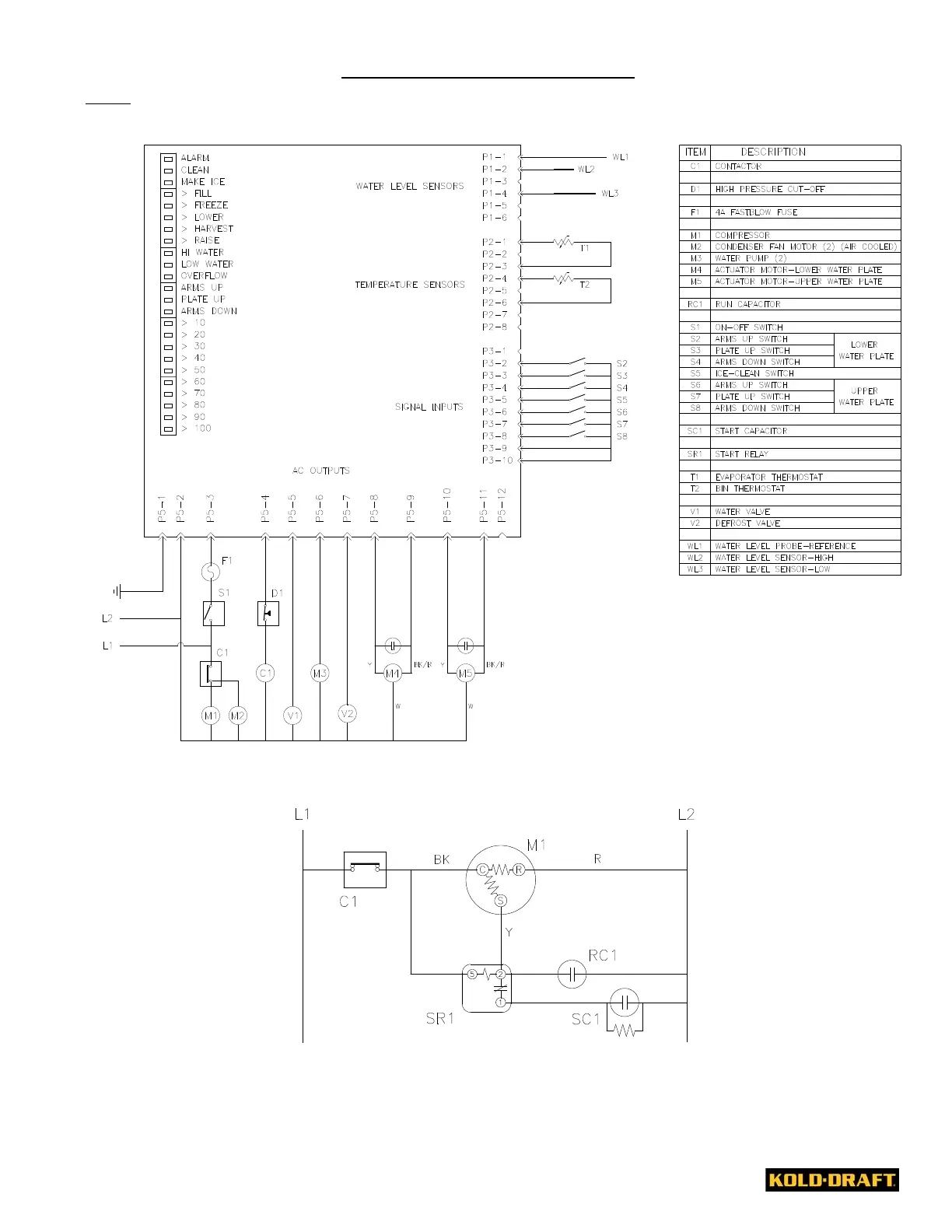
GB1064 A & L WIRING DIAGRAM
Note: A wiring diagram for remote condenser models (GB106xR) is on the following page.
Compressor Wiring

Table of Contents

Related product manuals