EasyManua.ls Logo

Kold-Draft RC314APV SC200 - Gt36 X, Gt56 X, Gb56 X Wiring Diagram

Kold-Draft RC314APV SC200
107 pages
Print Icon
To Next Page IconTo Next Page
To Next Page IconTo Next Page
To Previous Page IconTo Previous Page
To Previous Page IconTo Previous Page
Loading...
32
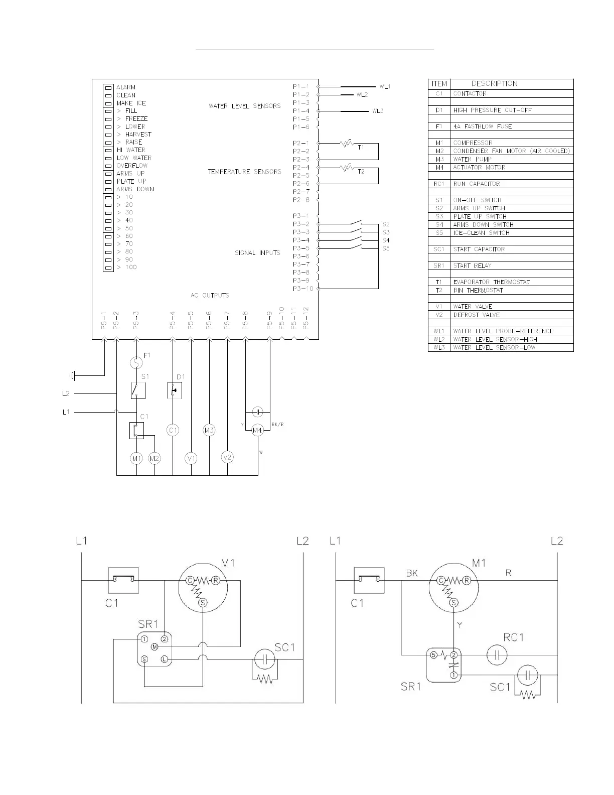
GT36X, GT56X, GB56X WIRING DIAGRAM
Compressor Wiring
GT361 Models Only
GT36x, GT56x, GB56x

Table of Contents

Related product manuals