EasyManua.ls Logo

Kold-Draft RC314APV SC200 - Gb1064 a & L Wiring Diagram

Kold-Draft RC314APV SC200
107 pages
Print Icon
To Next Page IconTo Next Page
To Next Page IconTo Next Page
To Previous Page IconTo Previous Page
To Previous Page IconTo Previous Page
Loading...
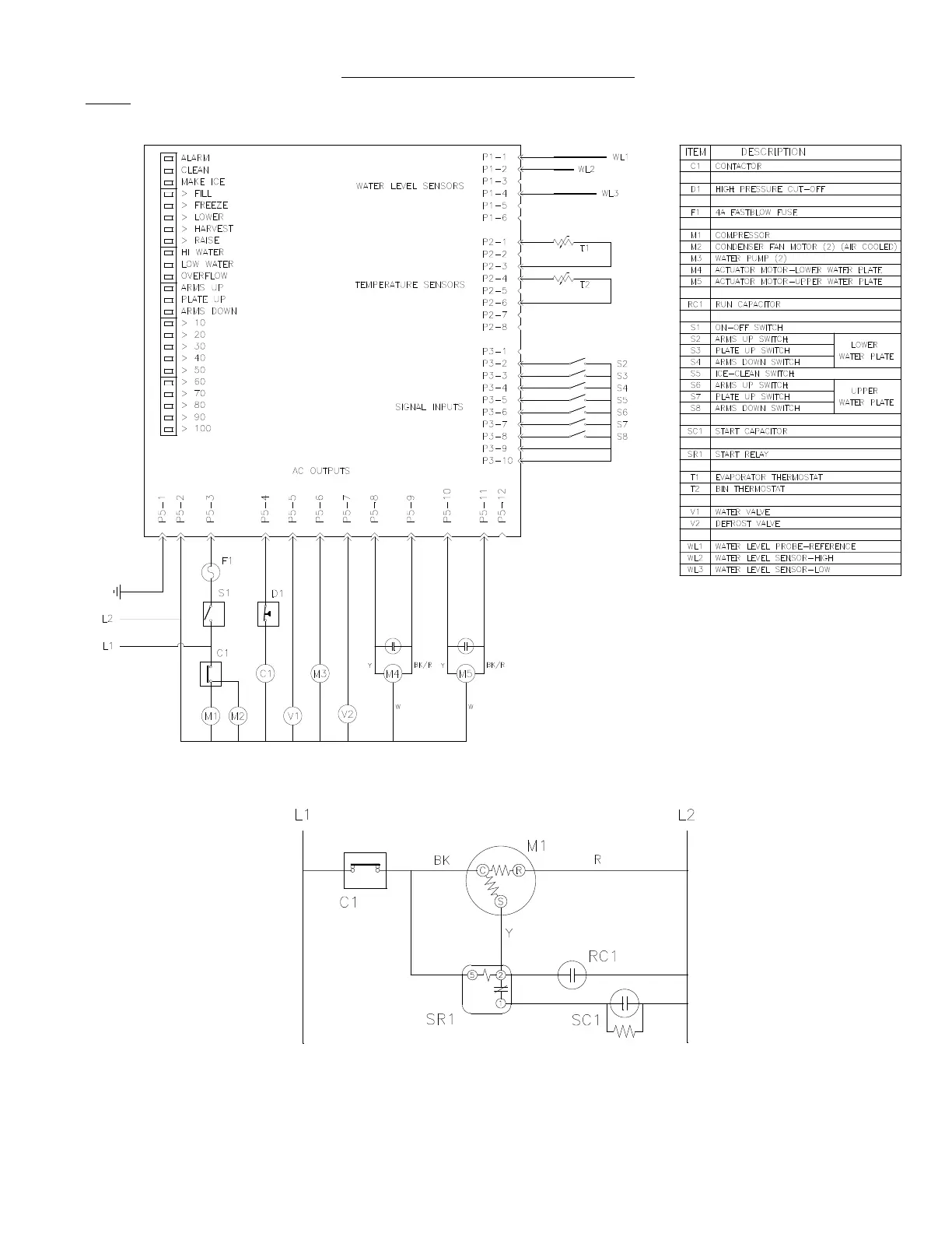
GB1064 A & L WIRING DIAGRAM
Note: A wiring diagram for remote condenser models (GB106xR) is on the following page.
Compressor Wiring

Table of Contents

Related product manuals