EasyManua.ls Logo

Kollmorgen SERVOSTAR 601

Kollmorgen SERVOSTAR 601
122 pages
To Next Page IconTo Next Page
To Next Page IconTo Next Page
To Previous Page IconTo Previous Page
To Previous Page IconTo Previous Page
Loading...
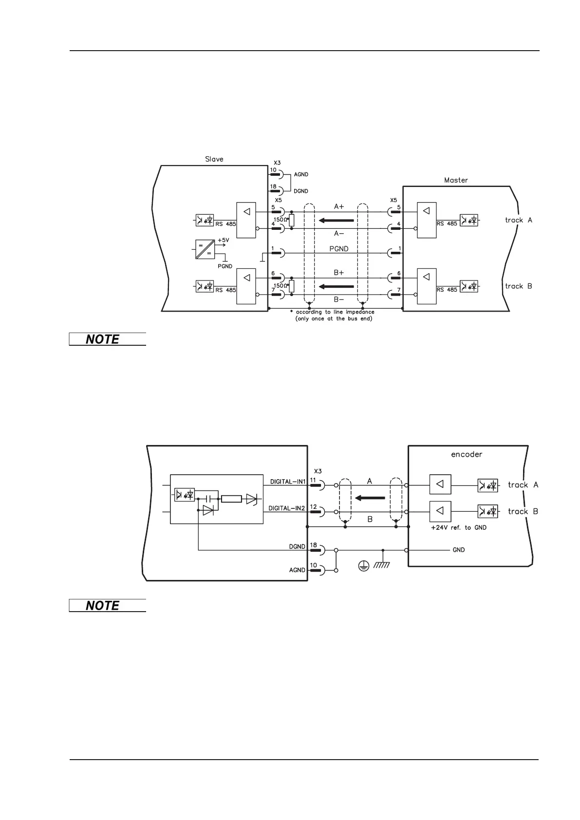
8.12.1 Connection to a SERVOSTAR master, 5 V signal level (X5)
You can link several SERVOSTAR amplifiers together in master-slave operation.
Up to 16 slave amplifiers can be controlled by the master via the encoder output. The connector X5
must be used.
Frequency limit: 1,5 MHz, slew rate tv £ 0,1 µs
AGND and DGND (connector X3) must be joined together !
8.12.2 Connection to encoders with 24 V signal level (X3)
This interface can be used to operate the SERVOSTAR as a slave, mastered by an encoder with
24 V signal level (master-slave operation). The digital inputs DIGITAL-IN 1 and 2 at connector X3
must be used. Frequency limit: 250 kHz, slew rate tv £ 0,1 µs
AGND and DGND (connector X3) must be joined together !
SERVOSTAR
®
601...620 Instructions Manual 59
Kollmorgen
07/2010 Electrical Installation
SERVOSTAR 600
SERVOSTAR 600
SERVOSTAR 600

Table of Contents

Other manuals for Kollmorgen SERVOSTAR 601

Related product manuals