EasyManua.ls Logo

Komatsu 730E - Filter and Reservoir; Filter Assembly Element

Komatsu 730E
182 pages
Print Icon
To Next Page IconTo Next Page
To Next Page IconTo Next Page
To Previous Page IconTo Previous Page
To Previous Page IconTo Previous Page
Loading...
OM4211 07/09 Maintenance - Section 42
Automatic Lubrication System Page 42-9
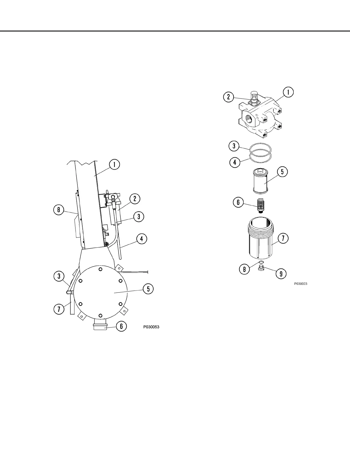
Filter And Reservoir
Filter assembly (2, Figure 42-8) is mounted on right
upright (1) and filters the grease when the grease
supply is refilled through the quick fill fittings.
Grease is pumped into the filter through filter inlet
hose (4) routed from the service center and then
flows out the filter through hose (3) to grease reser-
voir (5). Vent hose (7) purges air from the reservoir
as it is being filled and prevents a vacuum as grease
is pumped out.
Cap (6) allows the reservoir to be drained, if desired,
and a plate secured on the end of the reservoir
(frame torque tube) can be removed if the reservoir
requires cleaning.
Filter Assembly Element
Filter assembly element (5, Figure 42-9) must be
replaced if bypass indicator (2) shows excessive ele-
ment restriction.
FIGURE 42-8. FILTER AND RESERVOIR
1. RH Upright
2. Filter Assembly
3. Filter Outlet Hose
4. Filter Inlet hose
5. Grease Reservoir
6. Cap
7. Vent Hose
8. Pump Access Door
FIGURE 42-9. FILTER ASSEMBLY
1. Housing
2. Bypass Indicator
3. O-Ring
4. Backup Ring
5. Filter Assembly
Element
6. Spring
7. Bowl
8. O-Ring
9. Plug

Table of Contents

Other manuals for Komatsu 730E

Related product manuals