EasyManua.ls Logo

KYMCO DINK50 - . A.C. Generator

KYMCO DINK50
234 pages
Print Icon
To Next Page IconTo Next Page
To Next Page IconTo Next Page
To Previous Page IconTo Previous Page
To Previous Page IconTo Previous Page
Loading...
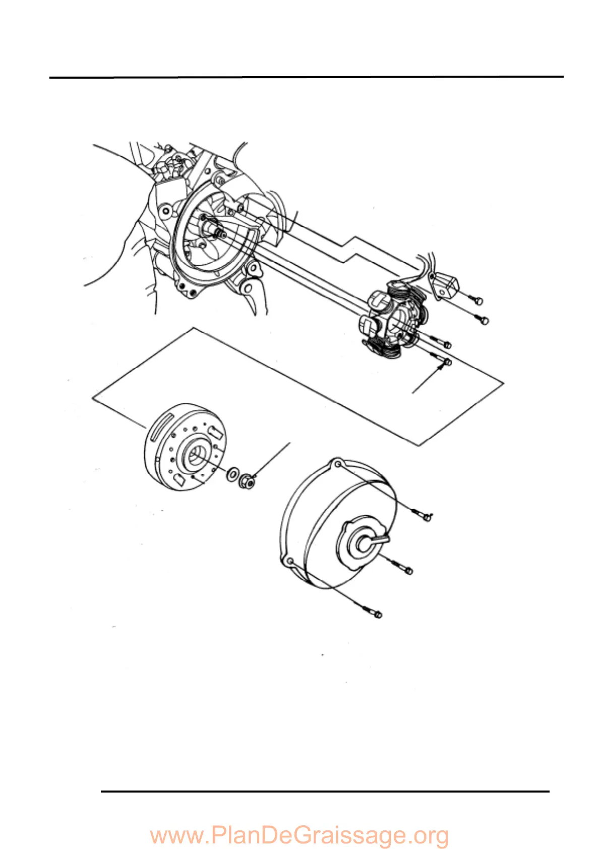
9. A.C. GENERATOR
9-1
SH10AA
Torque: 3.5_ 4.0kg-
m
Torque: 0.8_ 1.2kg-
m
Torque: 0.6_ 1.0kg-
m
Torque: 0.8_ 1.2kg-
m
0.8~1.2kg-m
3.5~4.0kg-m
0.8~1.2kg-m
www.PlanDeGraissage.org

Table of Contents

Related product manuals