EasyManua.ls Logo

Kyocera ECOSYS M2030dn - Scanner PWB

Kyocera ECOSYS M2030dn
297 pages
To Next Page IconTo Next Page
To Next Page IconTo Next Page
To Previous Page IconTo Previous Page
To Previous Page IconTo Previous Page
Loading...
2PK/2PL/2PM/2PN
2-3-11
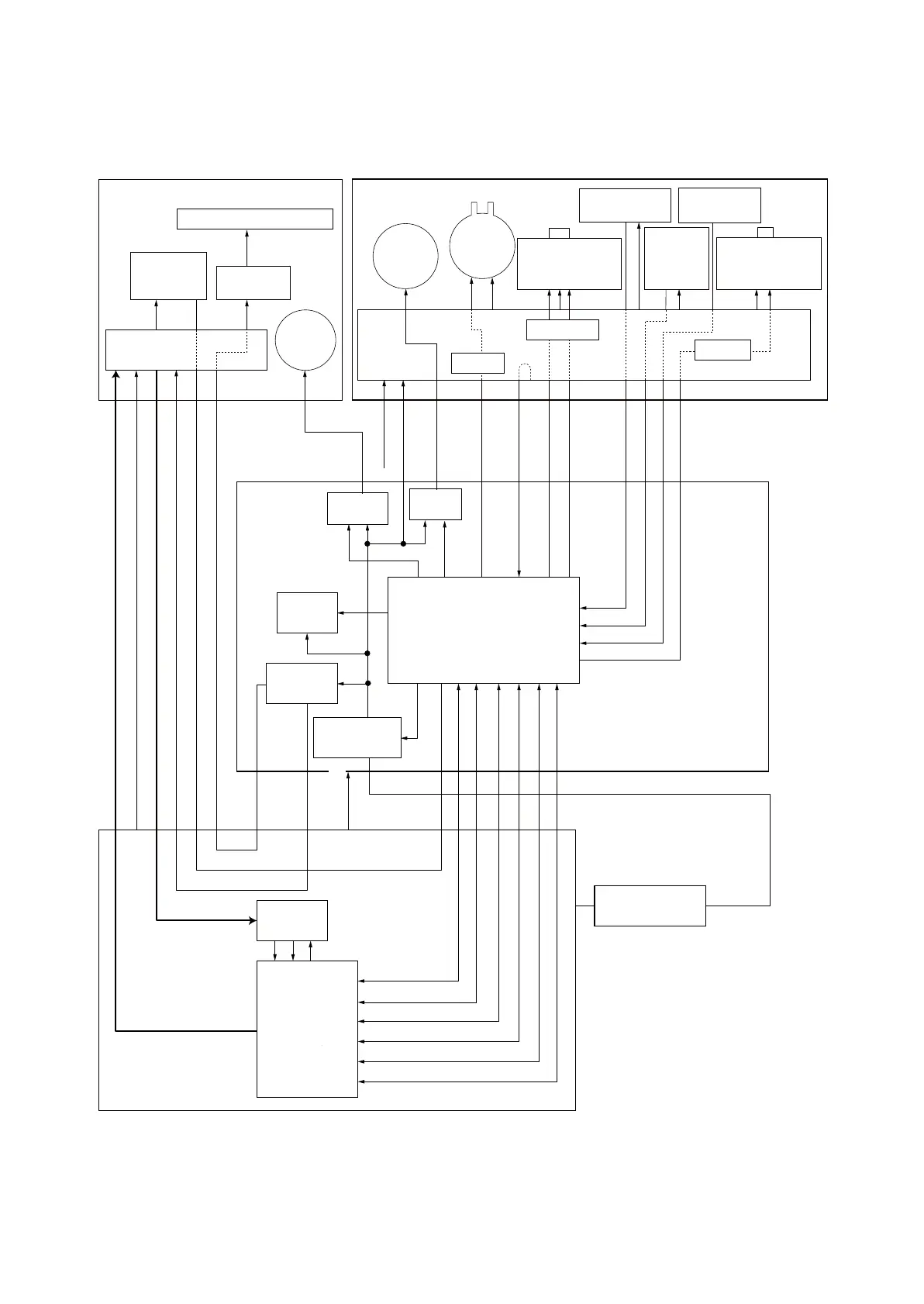
2-3-3 Scanner PWB
Figure 2-3-5 Scanner PWB block diagram
Image scanner
unit (ISU)
Scanner PWB
Regulator
LAMP
CPU
Control PWB
ASIC
AFE
Power save
circuit
Power source
PWB
Document
processor (DP)
Exposure lamp (LED)
ISU
motor
CCD PWB
Home
position
sensor
LED drive
PWB
Driver
Driver
Driver
Motor
driver
Motor
driver
FEEDCLN
DPDETN
PRESOLN
RELSOLN
PAGESET
OPSWN
ORGSWN
REVSOLN
+3.3V3C
+24V3
LAMP
HPSWN
+12V3
CSI
+5V3E2
+3.3V3C
+24V0F
DP driver PWB
DP timing
sensor
DP original
sensor
DP
open/
close
sensor
DP
paper
feed
motor
DP
paper
feed
clutch
DP switchback
feedshift
solenoid
DP switchback
pressure
solenoid

Table of Contents

Other manuals for Kyocera ECOSYS M2030dn

Related product manuals