EasyManua.ls Logo

LELY Splendimo 900 M - Page 45

LELY Splendimo 900 M
56 pages
Print Icon
To Next Page IconTo Next Page
To Next Page IconTo Next Page
To Previous Page IconTo Previous Page
To Previous Page IconTo Previous Page
Loading...
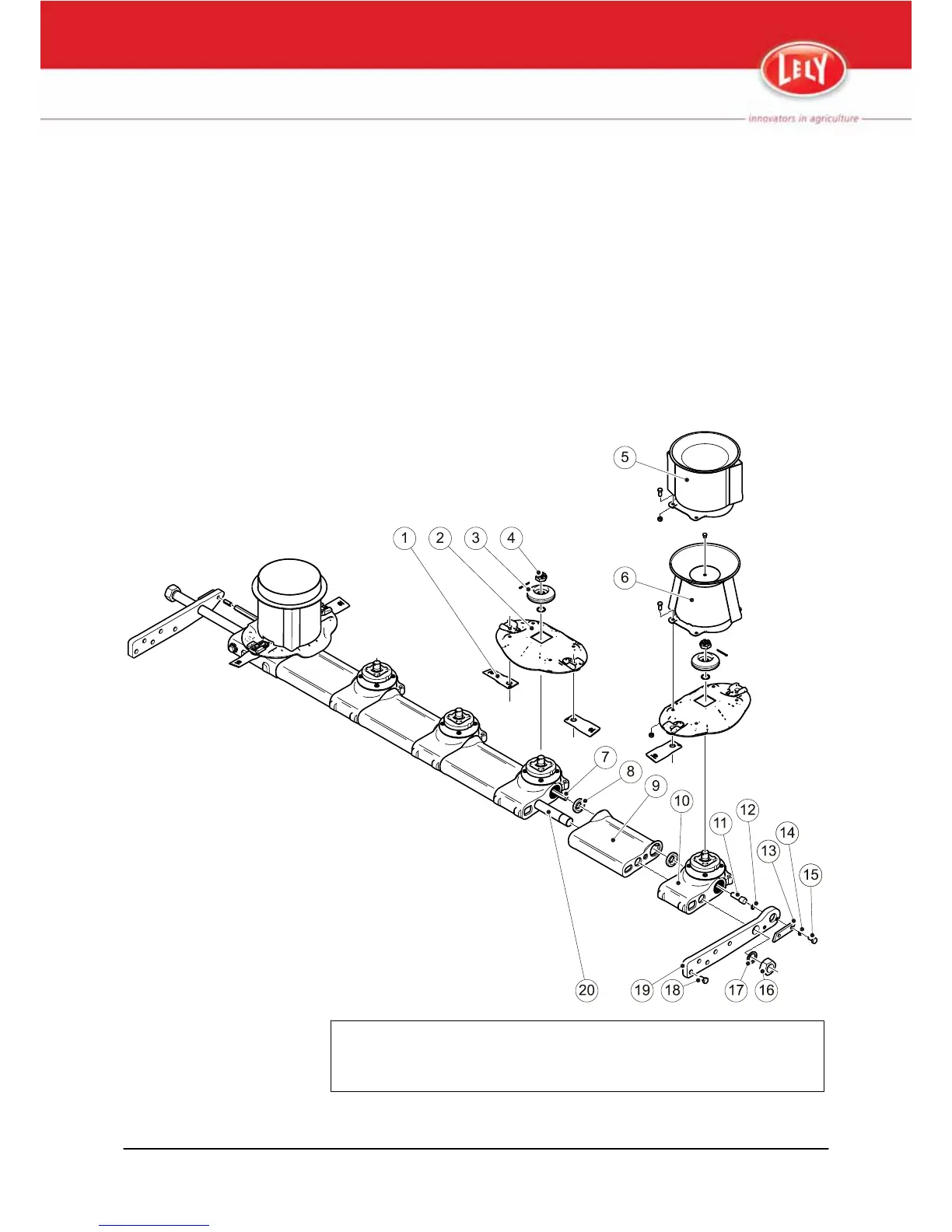
4. Remove the securing plate (13).
5.
Extend the Torque wrench with the 150 cm extension pipe.
6. Use the torque wrench to loose the M30 nut (16). Do not remove the
nut.
7. On both sides of the cutter bar:
Remove the five bolts (18) from the bottom of the support.
8. Remove the cutter bar.
9. Remove the M30 nut (16) and the ring (17).
10. Remove the end plate (19).
11. Remove the mower elements (10), and the intermediate spacers (9),
from the connecting rod (20).
1.Mower knive - 2. Mower disc - 3.Pressure piece - 4 Castellated nut - 5. Hat - 6. Hat - 7. Drive
shaft
- 8. Centring ring - 9. Intermediate spacer - 10. Mower element - 11. Securing plug - 12.
Locking ring - 13. Securing plate - 14. Washer - 15. Bolt M10 x20 - 16. M30 nut - 17. Ring -
18. Bolt - 19. End plate - 20. Connecting rod
Figure 32. Exploded View of the Cutter Bar
Maintenance 5-15
M-H021.1004EN

Table of Contents

Related product manuals