EasyManua.ls Logo

LELY Splendimo 900 M - Page 47

LELY Splendimo 900 M
56 pages
Print Icon
To Next Page IconTo Next Page
To Next Page IconTo Next Page
To Previous Page IconTo Previous Page
To Previous Page IconTo Previous Page
Loading...
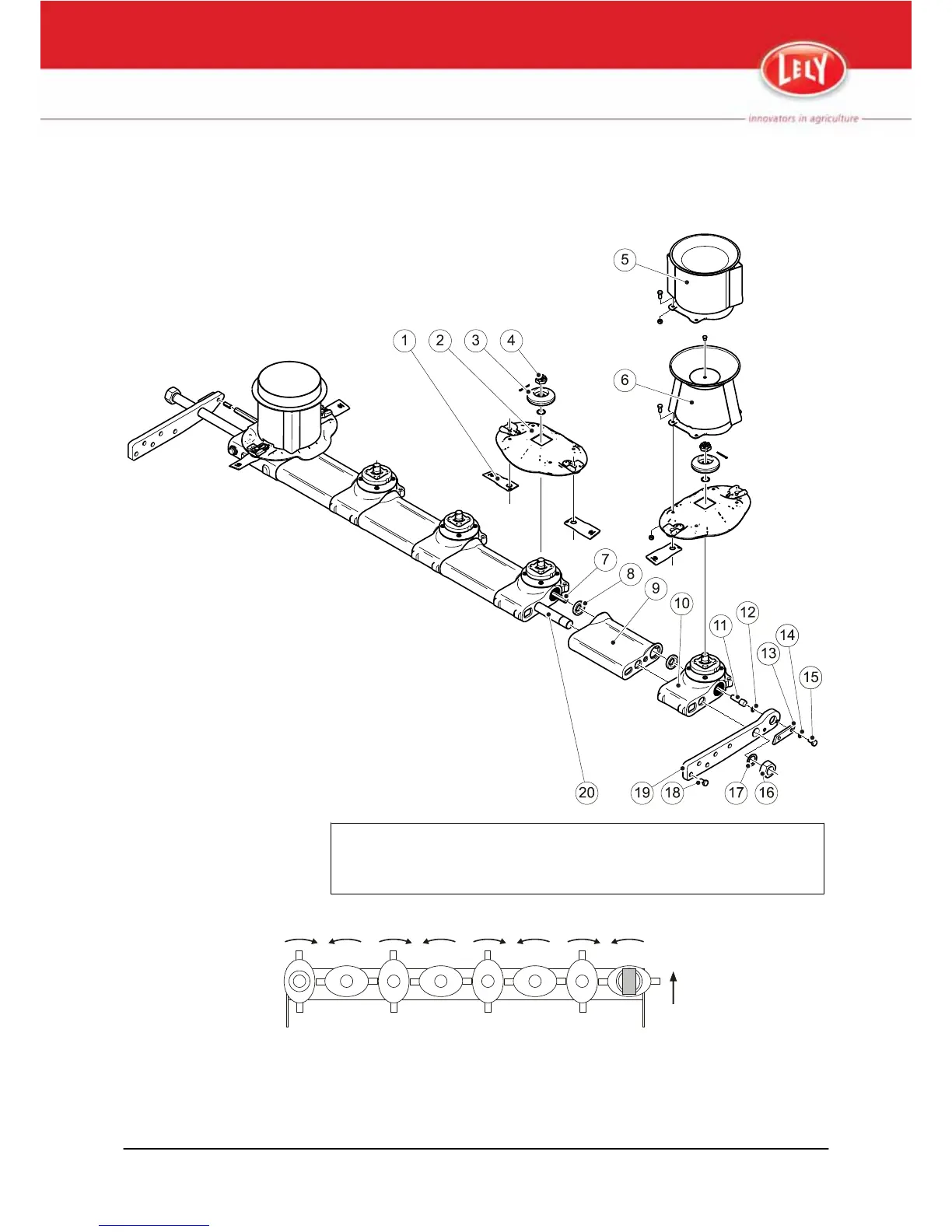
20. Tighten the M30 (16) nut until the securing plate (13) can be installed.
21.
Install the securing plate.
1.Mower knive - 2. Mower disc - 3.Pressure piece - 4 Castellated nut - 5. Hat - 6. Hat - 7. Drive
shaft
- 8. Centring ring - 9. Intermediate spacer - 10. Mower element - 11. Securing plug - 12.
Locking ring - 13. Securing plate - 14. Washer - 15. Bolt M10 x20 - 16. M30 nut - 17. Ring -
18. Bolt - 19. End plate - 20. Connecting rod
Figure 33. Exploded View of the Cutter Bar
Figure 34. Direction of Rotation of Mower Elements Left Cutter Bar
Maintenance 5-17
M-H021.1004EN

Table of Contents

Related product manuals