EasyManua.ls Logo

Lennox iComfort E30 - Third-Party Integrations; Apple HomeKit Integration

Lennox iComfort E30
48 pages
Print Icon
To Next Page IconTo Next Page
To Next Page IconTo Next Page
To Previous Page IconTo Previous Page
To Previous Page IconTo Previous Page
Loading...
19
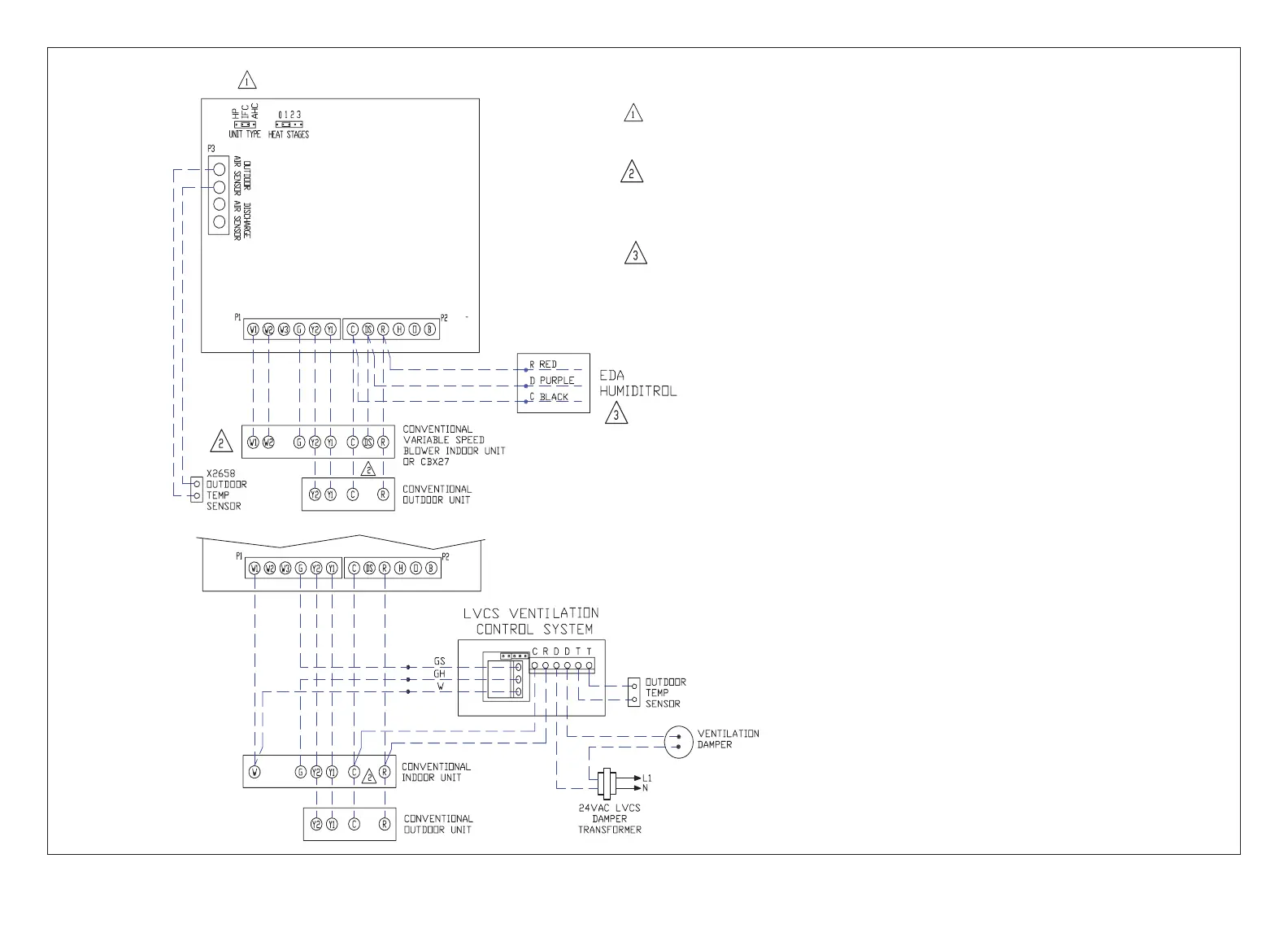
E30 Smart Hub
E30 Smart Hub
Set “Unit Type” to IFC for furnace
and AHC for air handler.
Remove jumper between R and W2 if present.
Not removing may cause erroneous alert code 125
to appear.
EDA Humiditrol can only be installed on matched
systems with variable speed or CBX27 indoor units.
Figure 13. Optional Accessories with Conventional Indoor Unit

Table of Contents

Other manuals for Lennox iComfort E30

Related product manuals