EasyManua.ls Logo

Liebert NX 10kVA - Maintenance Bypass Cabinet; Bypass Switch; UPS Mode

Liebert NX 10kVA
68 pages
Print Icon
To Next Page IconTo Next Page
To Next Page IconTo Next Page
To Previous Page IconTo Previous Page
To Previous Page IconTo Previous Page
Loading...
Maintenance Bypass Cabinet
27
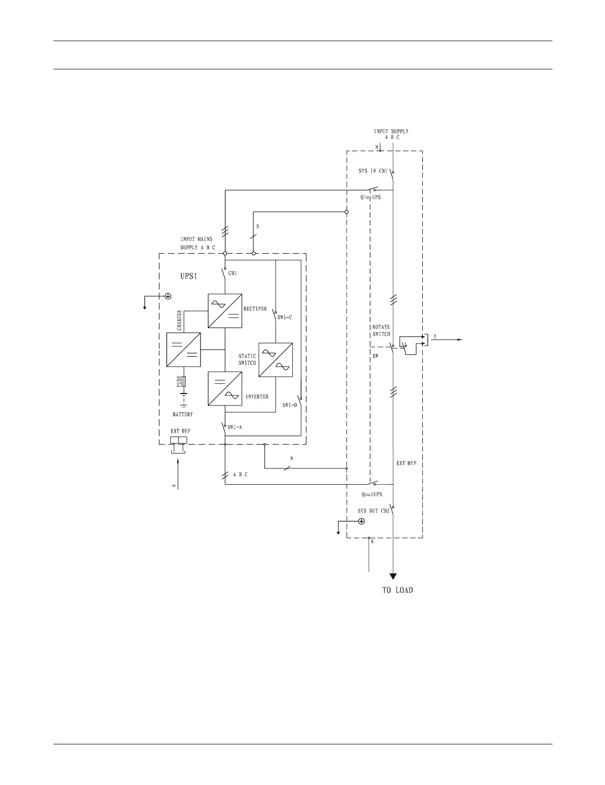
4.0 MAINTENANCE BYPASS CABINET
The Maintenance Bypass Cabinet is designed to operate in UPS mode, bypass mode and maintenance
mode. The mode is selected using the Bypass Switch.
Figure 14 Single UPS with external Maintenance Bypass Cabinet—typical configuration
4.1 Bypass Switch
The Bypass Switch allows easy and rapid transfer of connected loads between the UPS and Bypass
source.
4.2 UPS Mode
While the Maintenance Bypass Cabinet is in UPS Mode, the UPS is supplying the connected load
with continuous high quality AC power. In this mode of operation, the load is protected by the UPS.
The Bypass Switch is in the NORMAL position for this mode.

Table of Contents

Related product manuals