EasyManua.ls Logo

Linde T 16 - Page 50

Linde T 16
53 pages
Print Icon
To Next Page IconTo Next Page
To Next Page IconTo Next Page
To Previous Page IconTo Previous Page
To Previous Page IconTo Previous Page
Loading...
3
6
0
8
0
4
2
5
1
1
-
0
5
0
4
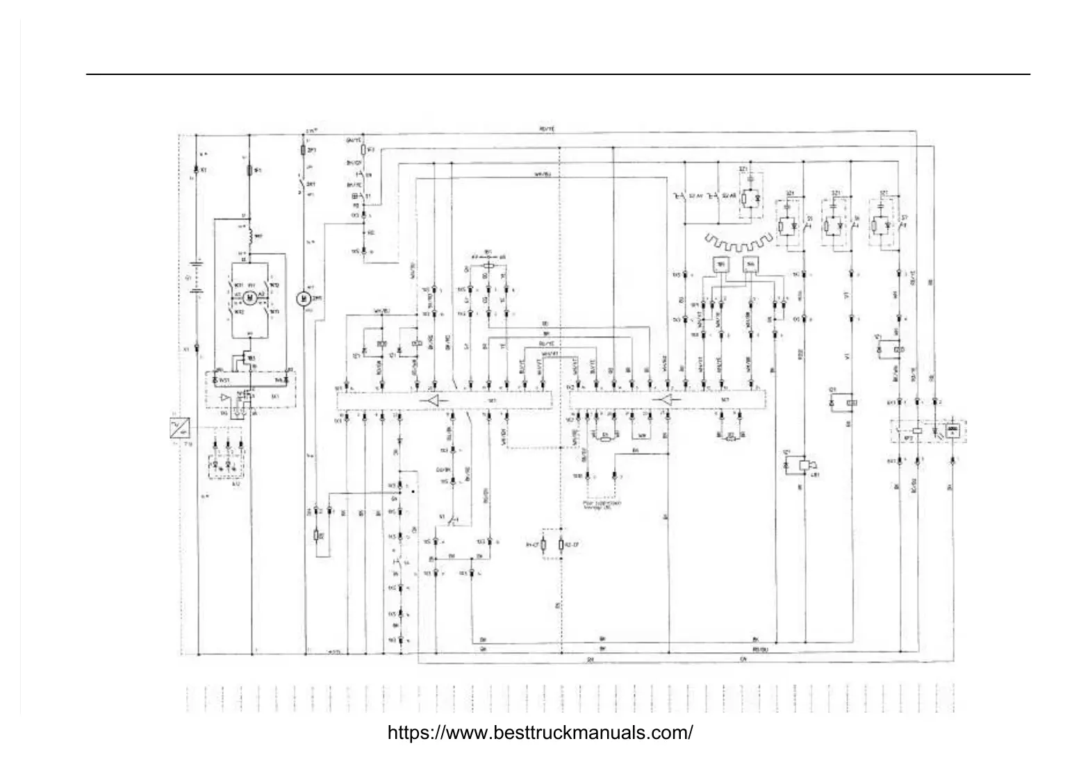
Pulse control with LBC braking
https://www.besttruckmanuals.com/

Table of Contents

Related product manuals