EasyManua.ls Logo

LOFTNESS 51CCH - Motor Assembly #933 Open 15 Bar (N28472)

Default Icon
74 pages
Print Icon
To Next Page IconTo Next Page
To Next Page IconTo Next Page
To Previous Page IconTo Previous Page
To Previous Page IconTo Previous Page
Loading...
40 Carbide Cutter OM
VT1385-CW ASSEMBLY
SAE-10
SAE-10
C
HPRV
LPRV
CB
CV
ACC
SAE-8
SAE-8
B A
D
Oil Flow Direction
“Forward”
IN OUT
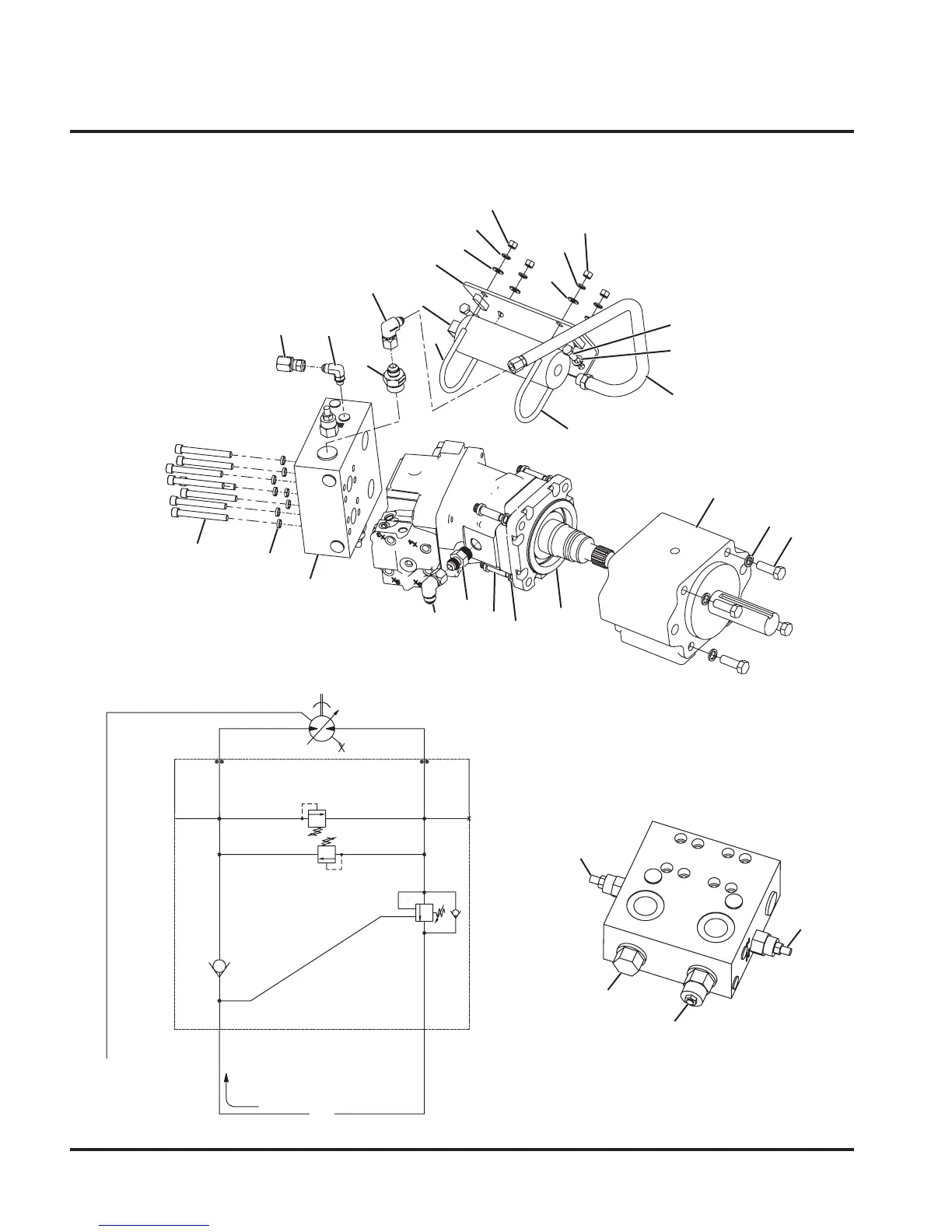
Parts Identification
5
4
1
2
3
17
18
19
20
21
22
20
23
8
6
9
10
11
12
13
13
12
11
14
15
16
8
MOTOR COVER
PRESSURE GAUGE
TO ACCUMULATOR 7
TO CASE DRAIN
Motor Assembly #933 Open 15 Bar (N28472)
* Item 3 (N28203) parts breakdown.
Relief Valve Open Loop CW (N28203) Schematic
3a**
3b***
3c***
3d**
** Use item 24 in parts list, part number N38181, for
seal kit for items 3a and 3d.
*** Use item 25 in parts list, part number N14170, for
seal kit for items 3b and 3c.

Table of Contents