EasyManua.ls Logo

LOFTNESS 51CCH - Motor Assembly #1033 Closed 15 Bar (N28500)

Default Icon
74 pages
Print Icon
To Next Page IconTo Next Page
To Next Page IconTo Next Page
To Previous Page IconTo Previous Page
To Previous Page IconTo Previous Page
Loading...
42 Carbide Cutter OM
Parts Identification
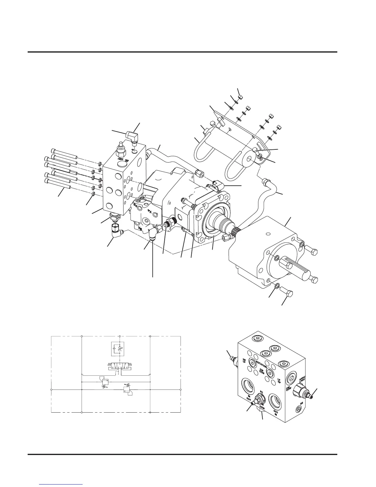
Motor Assembly #1033 Closed 15 Bar (N28500)
2
1
M2
1
3
4
2
2
2 1
1
CDM1
G2G1
OUTIN
* Item 3 (N28636) parts breakdown.Relief Valve Open Loop CW (N28636) Schematic
MOTOR COVER
PRESSURE GAUGE
TO CASE DRAIN
1
6
7
9
10
11
12
13
14
15
16
7
17
18
19
20
19
21
22
23
8
MOTOR
CASE
DRAIN
2
3
4
5
3a**
3b
3c
3d**
** Use item 24 in parts list, part number N38181, for
seal kit for items 3a and 3d.

Table of Contents