EasyManua.ls Logo

Longtec TR700 - Tr700 Function Tree

Default Icon
71 pages
Print Icon
To Next Page IconTo Next Page
To Next Page IconTo Next Page
To Previous Page IconTo Previous Page
To Previous Page IconTo Previous Page
Loading...
TR700 Instruction Manual
10
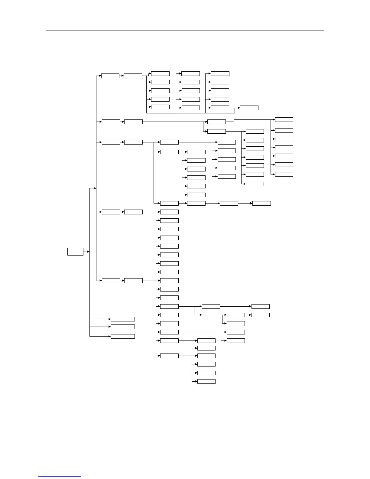
4.3 TR700 Function Tree
F00
F01
F05
F02
F03
F04
F06
F07
F08
F09
F10
F11
F12
F13
F14 F15
zero
filter coefficients
unit
000000 CoM1
C- 00
C- 01
C- 02
C- 03
C- 04
C- 05
C- 06
CoM2 C= 00
C= 01
C= 02
C= 03
C= 04
C= 05
C= 06
Calibration bit Serial 2
Rate Serial 2
00000
CAL1 C1.dECi
C1.d
C1.MAX
C1.ZEro
C1.SPAn
CAL2 C2.dECi
C2.d
C2.MAX
C2.ZEro
C2.SPAn
C2.SEn
CAL3 0000
050000
SAVEr
00000
SEt-HH
SEt--H
SEt--L
SEt-LL
LAg-HH
LAg--H
LAg--L
LAg-LL
000000 AdC.MV
KEY
DiSP
SEr
SEr1 SEr1Er
SEr1okSEr2 SEr2Er
SEr2ok
Edit
S.n.
di
do
rESuME
di0001
di0000
do0000
do1111
r-CAL
r-FunC
r-SEt
r-CoM
00000
SEt
FunC
CoM
CAL
diAg
Weighing
state
PRESS
“MENU”
Gross/net
peeled
zero
PRESS “GR/NT”
PRESS “TARE”
PRESS “ZERO”
Function setting
Input password
Serial1 Parameters
Diagnostics menu
Hi-Lo level
parameter
Calibration
Parameters
Practicality calibrate
Minimum division
Zero demarcate
Sensitivity
Calibrate Coefficient
HH lines
H lines
L lines
LL lines
HH lag value
display millivolt value
Testing the key
dispaly test
version number
serial number
Default setting
Press“TARE”to closure
Renew calibrate
Renew LH Lines
Renew commnication
Serial 1 Test
Serial 2 error
Number4 input
no input
Press“FUNC”all disconnect
Motion detective
display rewrite rate
conditional output
configure Output 4
Zero tracking
Data bit Serial 2
Serial 2 Communication way
Seria l baud rate
Data bit Serial ports1
Minimum capacity
Capacity demarcate
Decimal point
Maximum capacity
Zero Calibrate
H lag value
L lag value
LL lag value
Digital output
configure Output 3
configure Output 2
configure Output 1
configure input 4
configure input 3
configure input 1
configure input 2
Input password
Serial Communication address 1
Serial Communication
Parameters
Serial 2 Parameters
Serial Communication address 2
Input password
Digtal Calibrate
Decimal point
Capacity Calibrate
Minimum division
Serial 2 baud rate
Serial 2 Communication protocol
Serial 1 Communication protocol
Rate Serial 1
Calibration bit Serial 1
Serial 1 Communication way
Input password
Input password
Input password
Renew function setting
Serial 2 Test
Serial 2 ok
Serial 1 error
Serial 1 ok
Serial Test
Digital input
Chart 4-3 Function Tree

Table of Contents