EasyManua.ls Logo

LSIS XBF-AD08A - Page 133

LSIS XBF-AD08A
618 pages
Print Icon
To Next Page IconTo Next Page
To Next Page IconTo Next Page
To Previous Page IconTo Previous Page
To Previous Page IconTo Previous Page
Loading...
XGB Analog edition manual
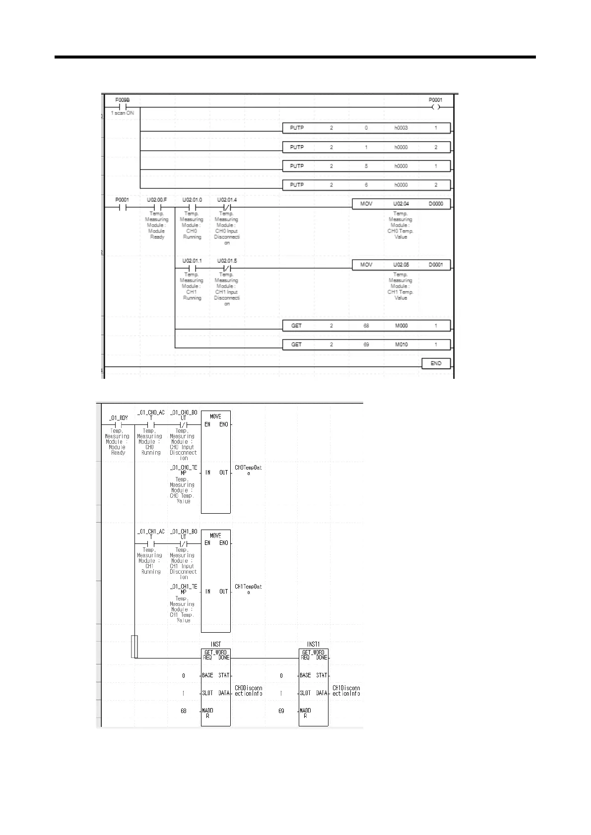
(2) Program example using PUT/GET command
(3) Program example using parameter in case of IEC
CH Enable
Sensor type (PT100)
Temperature unit (Celsius)
Filter value
Moving channel 0
temp. value to
Moving channel 1
temp. value to
Moving channel 0 disconnection
information to M0
Moving channel 1 disconnection
information to M
4 - 26

Table of Contents

Related product manuals