EasyManua.ls Logo

LSIS XBF-AD08A - Page 229

LSIS XBF-AD08A
618 pages
Print Icon
To Next Page IconTo Next Page
To Next Page IconTo Next Page
To Previous Page IconTo Previous Page
To Previous Page IconTo Previous Page
Loading...
XGB Analog edition manual
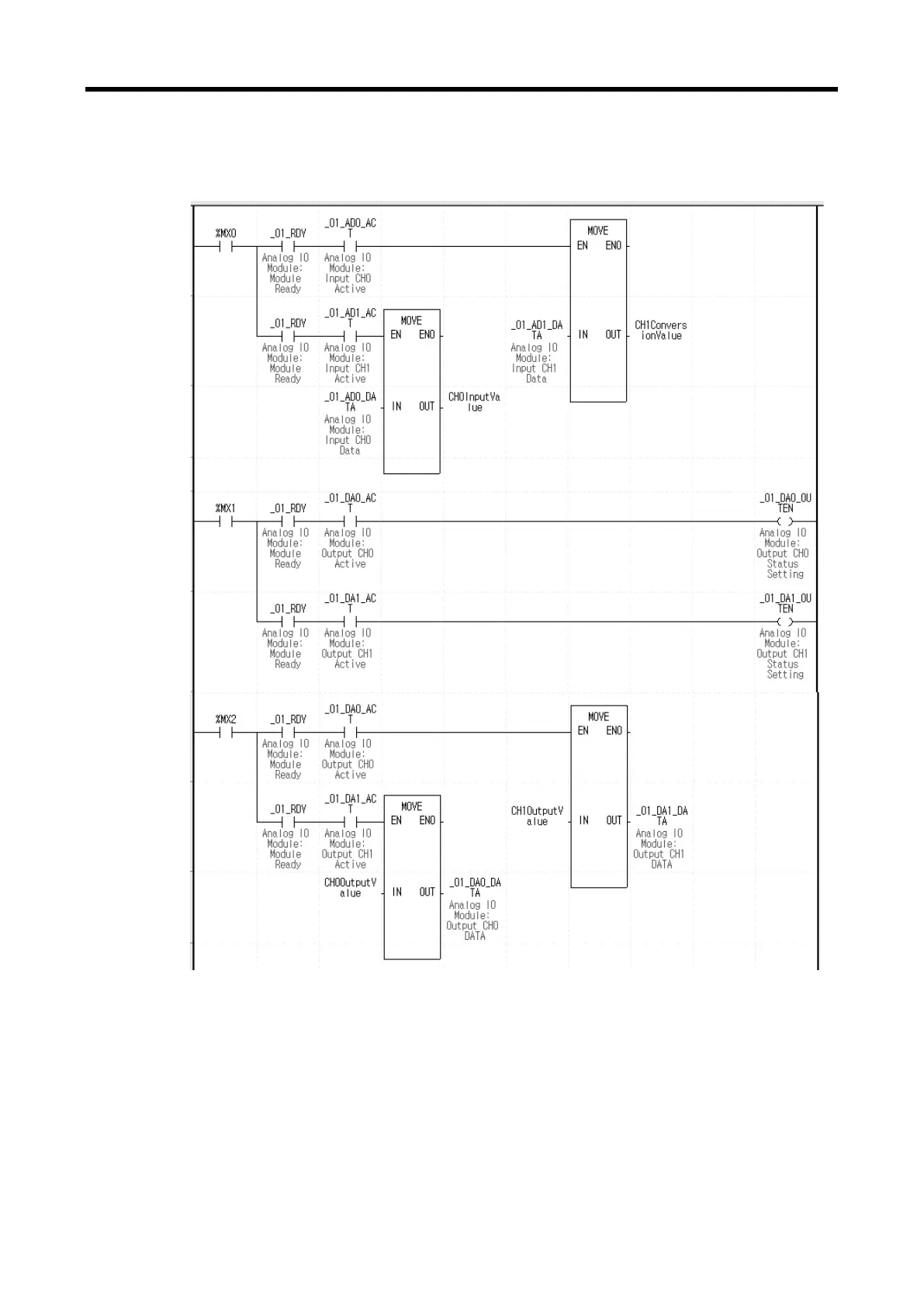
(e) For IEC type also, as shown in Fig. (a) ~ (d), you can look up variables with
diversified options in the ‘View’ menu. The figure below is the case of an IEC type
with which the View Variables/Descriptions option.
6 - 32

Table of Contents

Related product manuals