EasyManua.ls Logo

LSIS XBF-AD08A - Page 371

LSIS XBF-AD08A
618 pages
Print Icon
To Next Page IconTo Next Page
To Next Page IconTo Next Page
To Previous Page IconTo Previous Page
To Previous Page IconTo Previous Page
Loading...
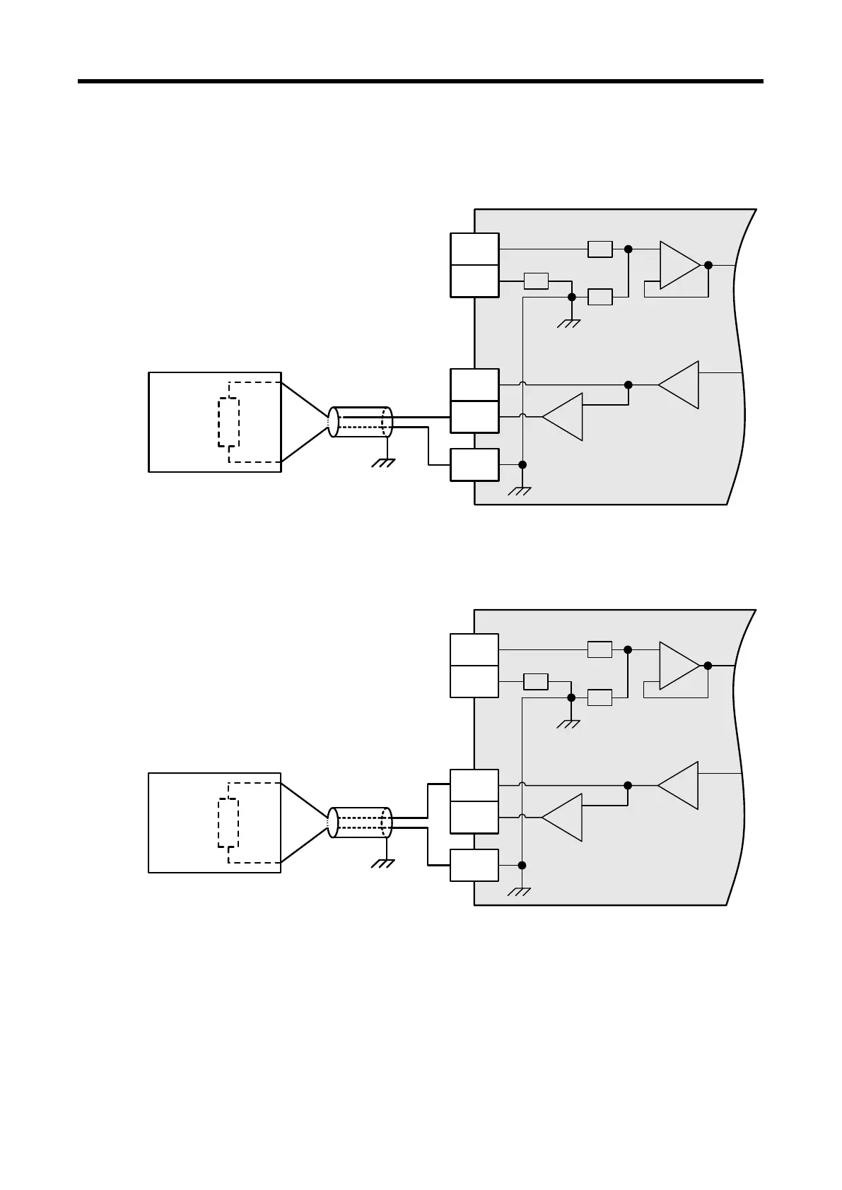
Chapter 10 Analog I/O Option Board (XBO-AH02A)
10.7.4 Analog output wiring example
(1) Current output wiring example
V0+
I0+
V0+
I0+
COM
R
R
R
XBO-AH02A
INPUT
OUTPUT
510 or
less
Motor etc.
(2) Voltage output wiring example
INPUT
OUTPUT
2k or
above
Motor etc.
V0+
I0+
V0+
I0+
COM
R
R
R
XBO-AH02A
450 

2 

10 - 19

Table of Contents

Related product manuals