EasyManua.ls Logo

LSIS XBF-AD08A - Page 48

LSIS XBF-AD08A
618 pages
Print Icon
To Next Page IconTo Next Page
To Next Page IconTo Next Page
To Previous Page IconTo Previous Page
To Previous Page IconTo Previous Page
Loading...
XGB Analog edition manual
2 - 14
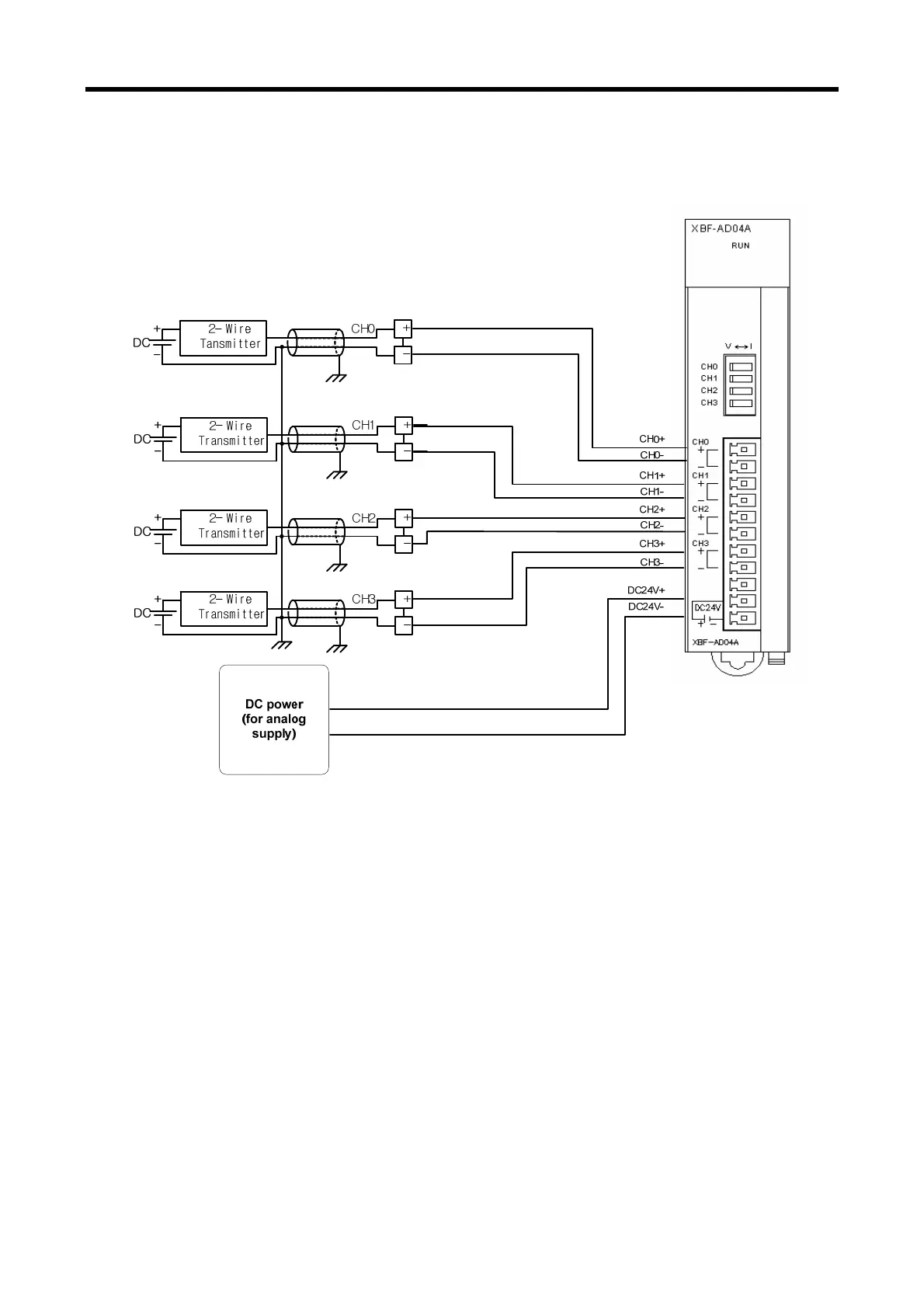
(2) Wiring example of 2-Wire sensor/transmitter (current input)
- In case of voltage/current input, wiring is same. Adjust the voltage/current setting switch
according to the case.
(a) Input resistance of current input circuit is 250 (typ.).
(b) Input resistance of voltage input circuit is 1 M (min.).
(c) Enable the necessary channel only.
(d) Analog input module doesn’t support power for input device. Use the external power supplier.

Table of Contents

Related product manuals