EasyManua.ls Logo

LSIS XBF-AD08A - Page 496

LSIS XBF-AD08A
618 pages
Print Icon
To Next Page IconTo Next Page
To Next Page IconTo Next Page
To Previous Page IconTo Previous Page
To Previous Page IconTo Previous Page
Loading...
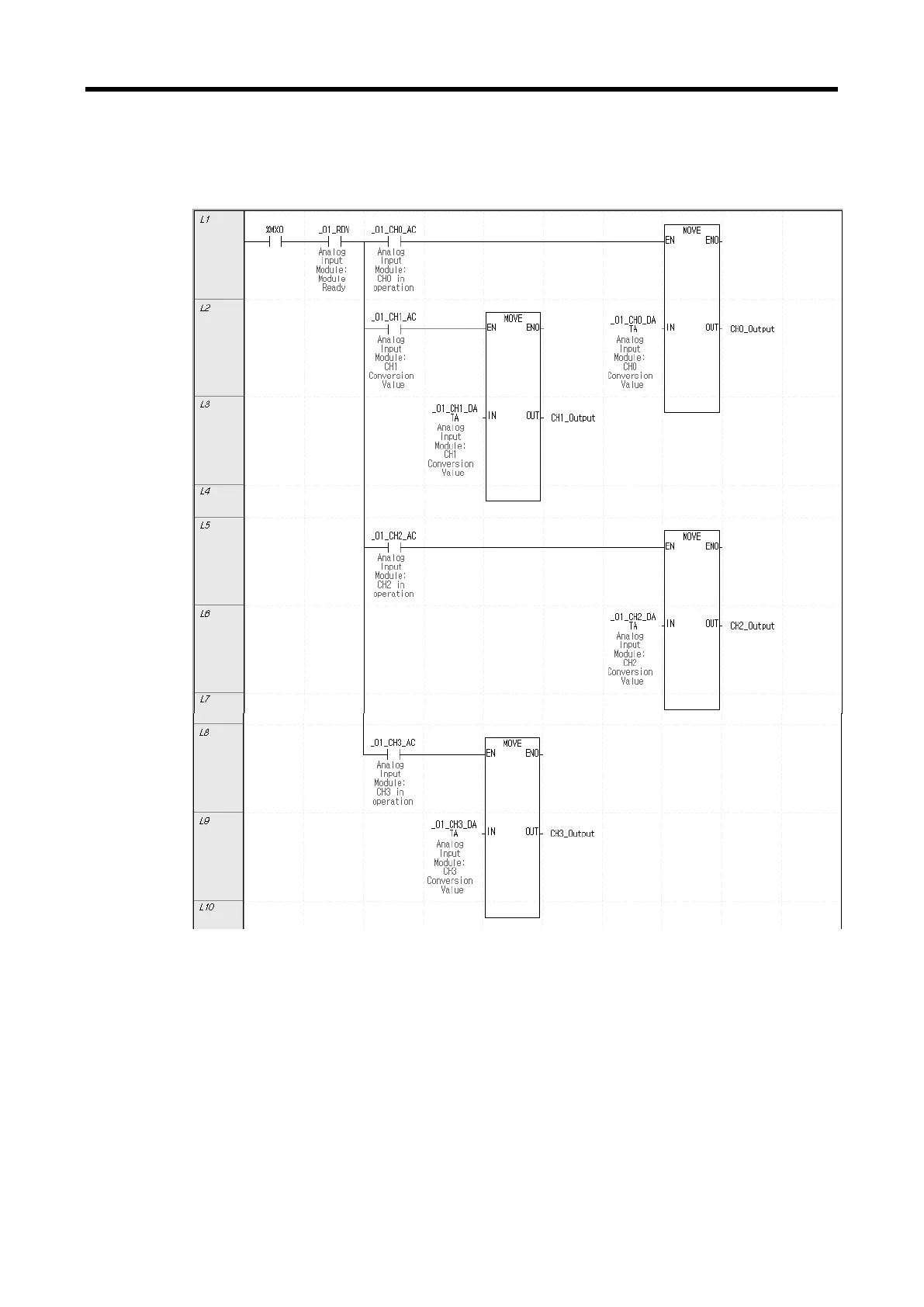
Chapter 13 Analog Input Module (XBF-AD04C)
(6) In case of IEC, you can see variables with diverse option at ‘View’ menu like (1)~(5).
The following is example selecting ‘View Variable/Comment’ at IEC type.
13 - 35

Table of Contents

Related product manuals