EasyManua.ls Logo

MAKELSAN Challenger Series - Parallel Installation

MAKELSAN Challenger Series
72 pages
Print Icon
To Next Page IconTo Next Page
To Next Page IconTo Next Page
To Previous Page IconTo Previous Page
To Previous Page IconTo Previous Page
Loading...
CHALL
E
AG–SD‐
3
T
h
3.1.4.5
M
A
ca
b
Co
n
•O
n
•O
n
•T
w
•O
n
3.2Pa
r
Th
e
off
e
In
c
pa
r
pa
r
E
NGERSERI
3
5Rev.No:
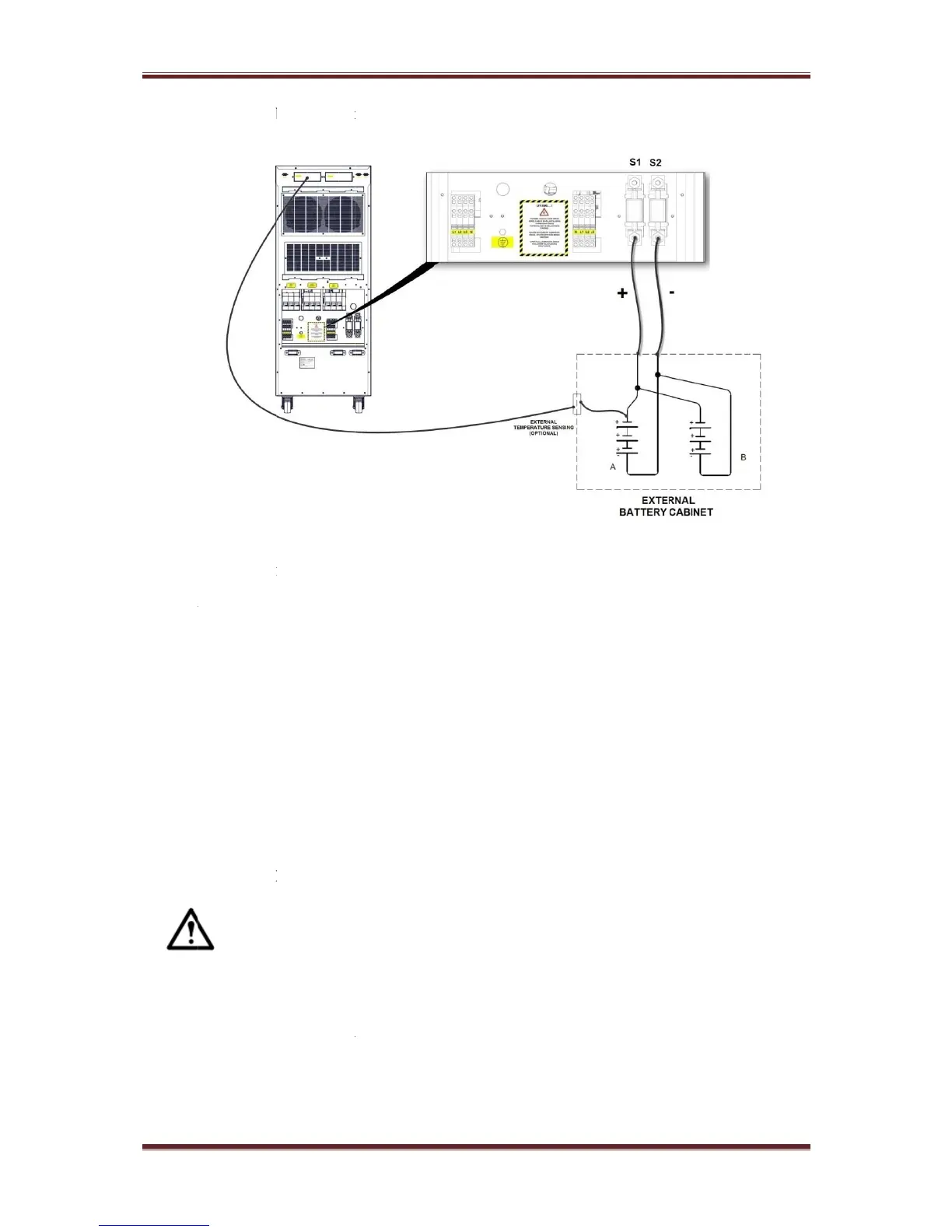
h
eexternal
b
CH1060E
Controla
n
A
KELSANU
P
b
inet,envir
o
n
nectionso
n
n
eRS232s
e
n
eRS232s
e
w
ooptiona
l
n
eparalleli
n
r
allelInst
a
e
product
w
e
redasano
p
Parall
c
aseofnee
d
r
allelupto
q
r
allelcanbe
ES10‐60K
V
1
Rev.Date:
b
atterycon
n
N23R0
n
dComm
u
P
Shavestan
o
nmentalm
o
n
therears
i
e
rialcomm
u
e
rialcomm
u
l
cardslo
t
n
gconnecti
o
a
llation
w
hich you h
p
tion.Pleas
elapplicat
i
d
forredun
q
uantity8
(
seenbelo
w
V
A
25.09.2013
n
ectiondia
g
u
nication
C
dartoropti
o
nitoring,c
o
i
deofUPS:
u
nicationco
u
nicationco
o
nconnect
o
ave bought
econtacty
o
i
onshould
dancyor
m
(
eight).As
c
w
.
Publicatio
n
g
ramisgiv
e
C
ableCon
onalconne
c
o
ntrolpane
l
nnector(R
S
nnector(R
S
o
r
can be op
e
o
urdealerf
o
bemadeb
y
m
orepower,
c
hematicdi
a
n
No:2
nbelow.
n
ections
c
tionsofad
v
l
sandvario
u
S
232/Rectif
i
S
232/Inver
t
e
ratedin p
a
o
rparallelo
y
authoriz
e
Challanger
a
gramwhic
v
ancedexte
r
u
sintellige
n
i
erService)
t
erService)
a
rallel; ho
w
peration.
e
dpersona
l
seriesUPS
hshowst
w
INSTA
L
r
nalbatter
y
n
tmonitori
n
w
ever,thisf
e
l
ofMAKEL
S
canbeop
e
w
oUPScon
n
L
LATION
47
y
n
g.
e
ature is
S
AN!
e
ratedin
n
ectedin

Related product manuals