EasyManua.ls Logo

Marantz PM8005 - SYSTEM DIAGRAMS AND SCHEMATICS; Block, Power, and Level Diagrams

Marantz PM8005
51 pages
Print Icon
To Next Page IconTo Next Page
To Next Page IconTo Next Page
To Previous Page IconTo Previous Page
To Previous Page IconTo Previous Page
Loading...
Power Amp Direct in
1.6v (4.0dB)
CD etc. 200mV (-14.0dB)
MM 2mV (-54.0dB)
70W 8
Ω 23.6V (27.5dB)
PRE OUT 1.6V (4.0dB)
30
-30
-40
-50
-60
-70
dB
20
-20
10
-10
0
30
-30
-40
-50
-60
-70
dB
20
-20
10
-10
0
RIAA
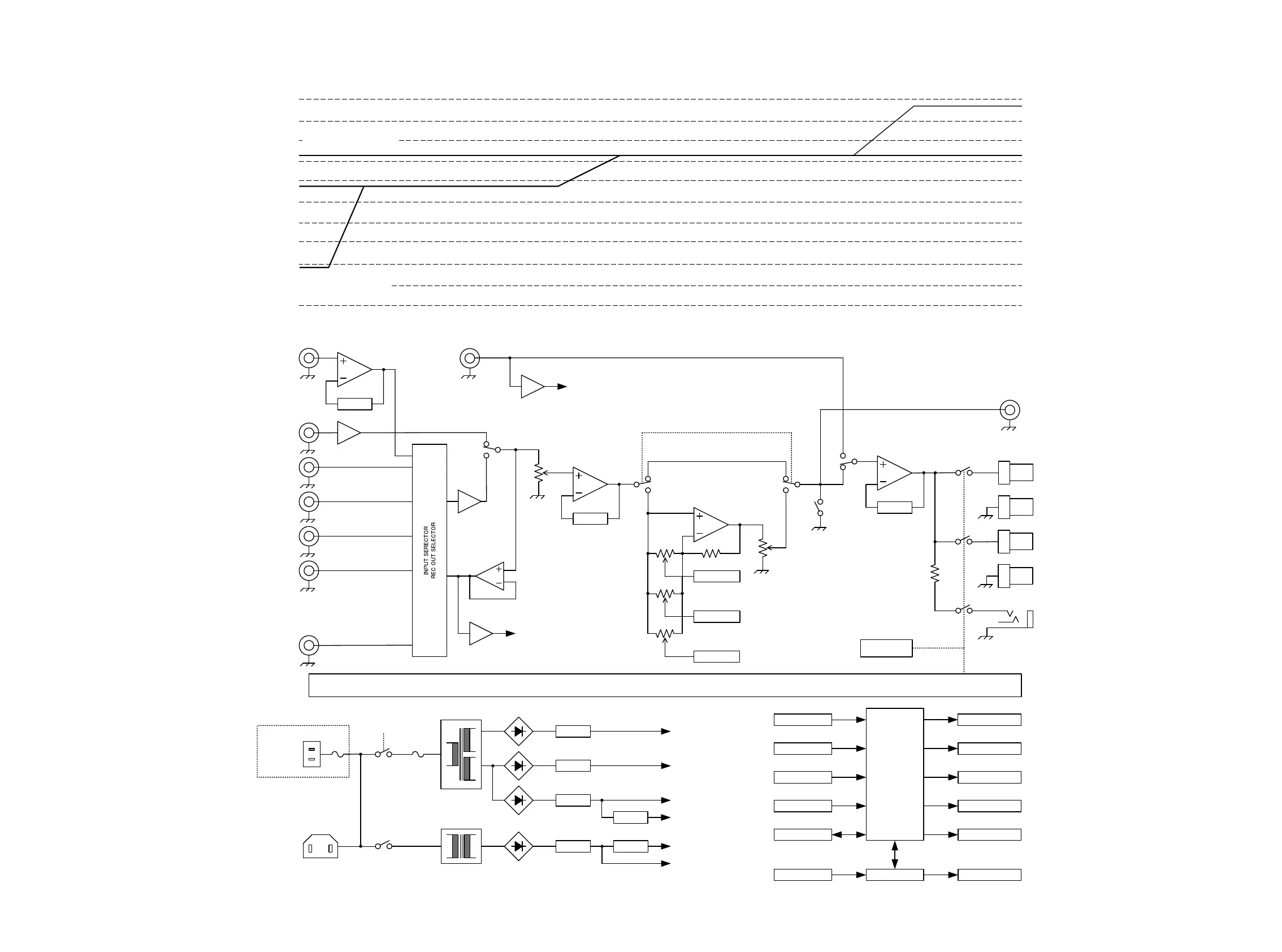
INPUT SERECTOR
REC OUT SELECTOR
NFB
TREBLE
MID
NFB
R-CH
PROTECION
CIRCUIT
5V
±49V
24V
±18V
POWER AMP
PRE AMP
RELAY
12V
μ-COM
RELAY
PHONO
CD
TUNER
AUX / DVD
RECORDER-1
IN
RECORDER-2
IN
RECORDER-1
OUT
RECORDER-2
OUT
PRE OUT
SPEAKER-A
(+)
SPEAKER-B
(-)
HEADPHONE
POWER
ON/OFF
STANDBY
RELAY
PROTECTION
POWER DETECT
CONTROLLER INDICATION LED
FUNCTION RELAY
RC5I/R SENSOR
EEPROM
RC5 IN/OUT
μ-COM
STANDBY RELAY
INPUT SELECTOR
AC IN
FUSE
MAIN TRANS.
SUB TRANS.
VOLUME
BALANCE
SOURCE DIRECT
MUTE
POWER AMP
DIRECT
CD
DIRECT
5V
INDICATOR
CD DIRECT
BUFFER
LINE BUFFER
FUSE
AC OUTLET
JAPAN VERSION ONLY
SPEAKER-B
(+)
SPEAKER-B
(-)
REC BUFFER
BASS
LINE DETECT SPEAKER RELAY
LINE DETECT
LINE DETECT
AMP
LINE DETECT
LINE DETECT
AMP
REGULATOR BLOCK
U-COM BLOCK
TONE BLOCK
PRE AMP BLOCK
MAIN BLOCK
PHONO BLOCK
MAIN AMP BLOCK
RIAA
NFB
TREBLE
MID
NFB
R-CH
PROTECTION
CIRCUIT
5V
±50V
24V
±18V
POWER AMP
PRE AMP
RELAY
12V
μ-COM
RELAY
PHONO
CD
NETWORK
AUX
TUNER
RECORDER
IN
RECORDER
OUT
PRE OUT
SPEAKER-A
(+)
SPEAKER-B
(-)
HEADPHONE
POWER
ON/OFF
STANDBY
RELAY
PROTECTION
POWER DETECT
CONTROLLER
INDICATION LED
FUNCTION RELAY
RC5
I/R SENSOR
EEPROM
RC5 IN/OUT
μ-COM
STANDBY RELAY
INPUT SELECTOR
AC IN
FUSE
MAIN TRANS.
SUB TRANS.
VOLUME
BALANCE
SOURCE DIRECT
MUTE
POWER AMP
DIRECT
CD
DIRECT
5V
INDICATOR
CD DIRECT
BUFFER
LINE BUFFER
FUSE
AC OUTLET
JAPAN VERSION ONLY
SPEAKER-B
(+)
SPEAKER-B
(-)
REC BUFFER
BASS
LINE DETECT
SPEAKER RELAY
LINE DETECT
LINE DETECT
AMP
LINE DETECT
LINE DETECT
AMP
LEVEL DIAGRAM
BLOCK DIAGRAM
POWER DIAGRAM
23

Other manuals for Marantz PM8005

Related product manuals