EasyManua.ls Logo

marklin 67011 - Useamman Liittymisraiteen Liitäntä Ohjauslaitteeseen

marklin 67011
Print Icon
To Next Page IconTo Next Page
To Next Page IconTo Next Page
To Previous Page IconTo Previous Page
To Previous Page IconTo Previous Page
Loading...
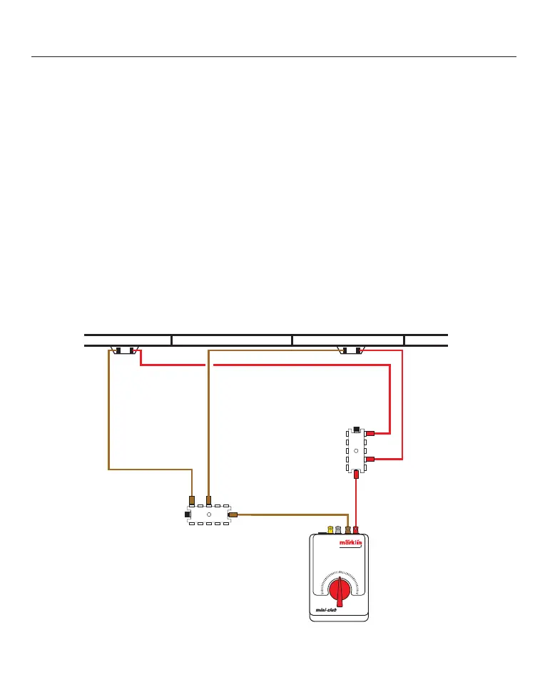
2. Sähköliitäntä
2.3 Useamman liittymisraiteen
liitäntä ohjauslaitteeseen
Suuremmissa laitteissa tai jos niihin on
asennettu signaaleita, on jokaista ratavir-
tapiiriä varten liitettävä ohjauslaitteeseen
useampi liittymisraide. Viimeistään joka
1,5 - 2 metrin päästä tulisi raiteessa jänni-
tetappion tasaamiseksi ajojännite syötet-
tävä uudestaan lisäliittymisraiteella. Tässä
tapauksessa eri liittymisraiteiden punaiset
liitäntäjohdot ja ruskeat liitäntäjohdot
liitetään kulloinkin jakolevyyn 7209. Jako-
levyt liitetään sitten punaisella ja ruskealla
liitäntäjohdolla kuten yksittäinen liittymis-
raide ohjauslaitteeseen.
99
85908590
7209
7209
0
5050
100 100
150150
200200

Table of Contents

Related product manuals