EasyManua.ls Logo

marklin 67011 - Connecting a Turnout and Lighting Circuits

marklin 67011
Print Icon
To Next Page IconTo Next Page
To Next Page IconTo Next Page
To Previous Page IconTo Previous Page
To Previous Page IconTo Previous Page
Loading...
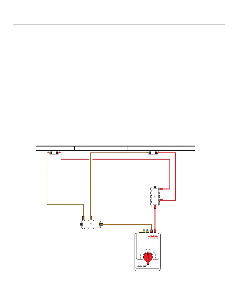
2. Electrical Connections
2.3 Connecting Several Feeder
Tracks to a Power Pack
On larger layouts or when installing sig-
nals several feeder tracks must be
connected to the power pack for each
track power circuit. Track voltage must be
fed to the layout by means of another fee-
der track about every 1.5 to 2 meters
(approx. 5 to 7 feet) to compensate for
voltage drop. In this situation the red and
brown feeder wires for the individual fee-
der tracks are connected respectively to a
7209 distribution strip. The distribution
strips are then connected to the power
pack with either a red or brown wire res-
pectively in the same manner as a single
feeder track.
22
85908590
7209
7209
0
5050
100 100
150150
200200

Table of Contents

Related product manuals