EasyManua.ls Logo

marklin 67011 - Anschluss Mehrerer Anschlussgleise an ein Fahrgerät

marklin 67011
Print Icon
To Next Page IconTo Next Page
To Next Page IconTo Next Page
To Previous Page IconTo Previous Page
To Previous Page IconTo Previous Page
Loading...
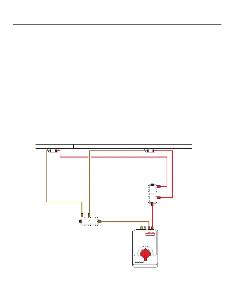
2. Elektrischer Anschluss
2.3 Anschluss mehrerer An-
schlussgleise an ein Fahrgerät
Bei größeren Anlagen oder bei Einbau von
Signalen müssen für jeden Bahnstrom-
kreis mehrere Anschlussgleise an das
Fahrgerät angeschlossen werden. Spätes-
tens alle 1,5 m bis 2 m sollte in einem Gleis
zum Ausgleich von Spannungsverlusten
über ein weiteres Anschlussgleis die Fahr-
spannung neu eingespeist werden. In die-
sem Fall werden die roten Anschlusskabel
und die braunen Anschlusskabel der
einzelnen Anschlussgleise an jeweils eine
Verteilerplatte 7209 angeschlossen. Die
Verteilerplatten werden dann über ein
rotes und ein braunes Anschlusskabel wie
ein einzelnes Anschlussgleis an das Fahr-
gerät angeschlossen.
10
85908590
7209
7209
0
5050
100 100
150150
200200

Table of Contents

Related product manuals