EasyManua.ls Logo

marklin 67011 - Branchement de Plusieurs Voies de Raccordement Sur un Seul Régulateur de Vitesse

marklin 67011
Print Icon
To Next Page IconTo Next Page
To Next Page IconTo Next Page
To Previous Page IconTo Previous Page
To Previous Page IconTo Previous Page
Loading...
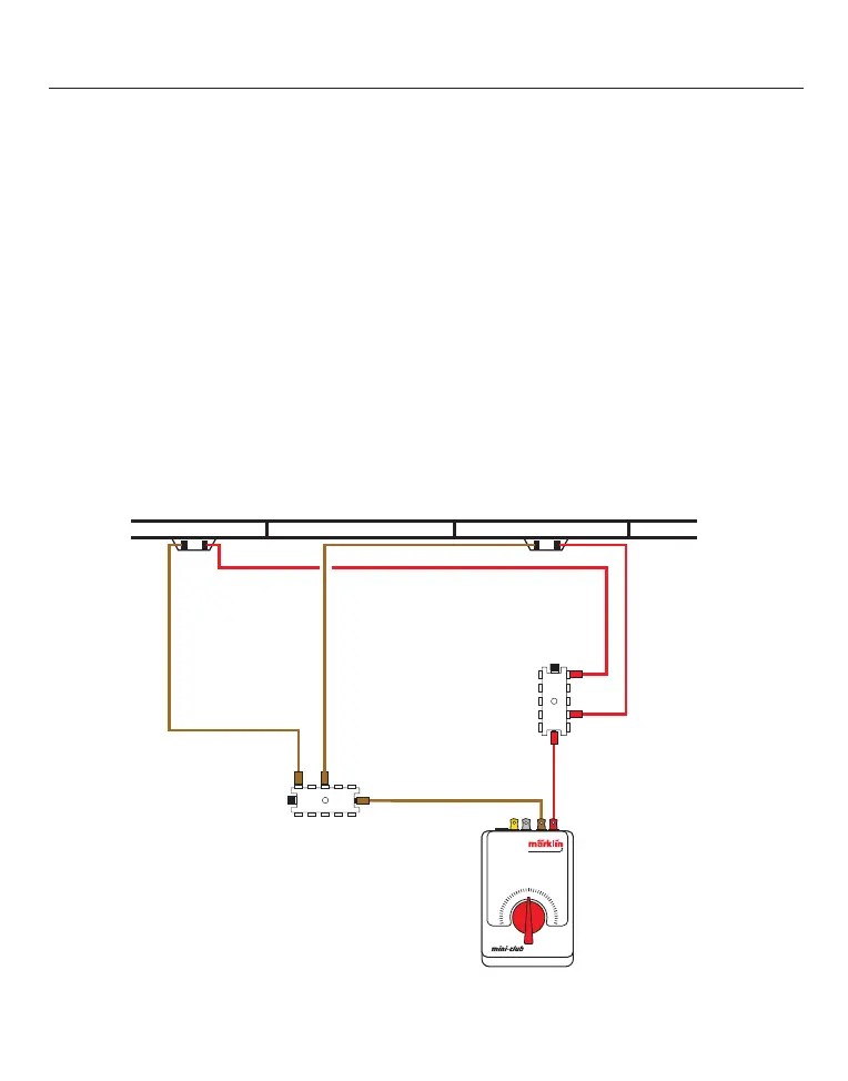
2. Branchement électrique
2.3 Branchement de plusieurs
voies de raccordement sur
un seul régulateur de vitesse
Pour des réseaux dune certaine impor-
tance ou lors de linstallation de signaux, il
faudra, pour chaque circuit de courant de
traction, brancher plusieurs voies de rac-
cordement au régulateur de vitesse. Tous
les 1,5 à 2 m maximum, il faudra soutenir
la tension à laide dune nouvelle voie de
raccordement an d’équilibrer les pertes
de courant. Pour ce faire, vous raccorde-
rez les câbles de connexion rouges et les
câbles de connexion marron de chaque
voie de raccordement à une plaque de
dérivation 7209. Les plaques de dérivation
seront connectées au régulateur de vites-
se comme une voie de raccordement à
laide dune câble de connexion rouge et
dun câble de connexion marron.
33
85908590
7209
7209
0
5050
100 100
150150
200200

Table of Contents

Related product manuals