EasyManua.ls Logo

marklin 67011 - Aansluiting Van Meerdere Aansluitrails Op Een Transformator;Rijregelaar

marklin 67011
Print Icon
To Next Page IconTo Next Page
To Next Page IconTo Next Page
To Previous Page IconTo Previous Page
To Previous Page IconTo Previous Page
Loading...
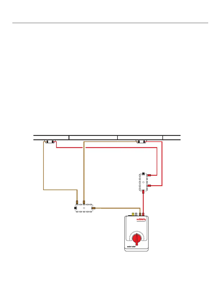
2. Elektrische aansluiting
2.3 Aansluiting van meerdere
aansluitrails op een
transformator/rijregelaar
Bij grotere modelbanen of bij de inbouw
van seinen moeten voor elke rijstroom-
kring meerdere aansluitrails op de trans-
formator/rijregelaar aangesloten worden.
Op z'n minst moet de rijstroom om de 1,5
à 2 mtr. via een extra aansluitrail opnieuw
op de rails gezet worden om spannings-
verliezen tegen te gaan. In dat geval wor-
den de rode en de bruine kabel van de
extra aansluitrails ieder op een verdeel-
plaat nr. 7209 aangesloten. De verdeelpla-
ten worden dan door een rode en een
bruine aansluitdraad als een afzonderlijke
aansluitrail op de transformator /rijregelaar
aangesloten.
44
85908590
7209
7209
0
5050
100 100
150150
200200

Table of Contents

Related product manuals