EasyManua.ls Logo

Mastervolt ChargeMaster Plus 12/35-3 - Connection Example

Mastervolt ChargeMaster Plus 12/35-3
32 pages
Print Icon
To Next Page IconTo Next Page
To Next Page IconTo Next Page
To Previous Page IconTo Previous Page
To Previous Page IconTo Previous Page
Loading...
12
ChargeMaster Plus 12/35-3, 12/50-3, 24/20-3, 24/30-3 User and Installation Manual
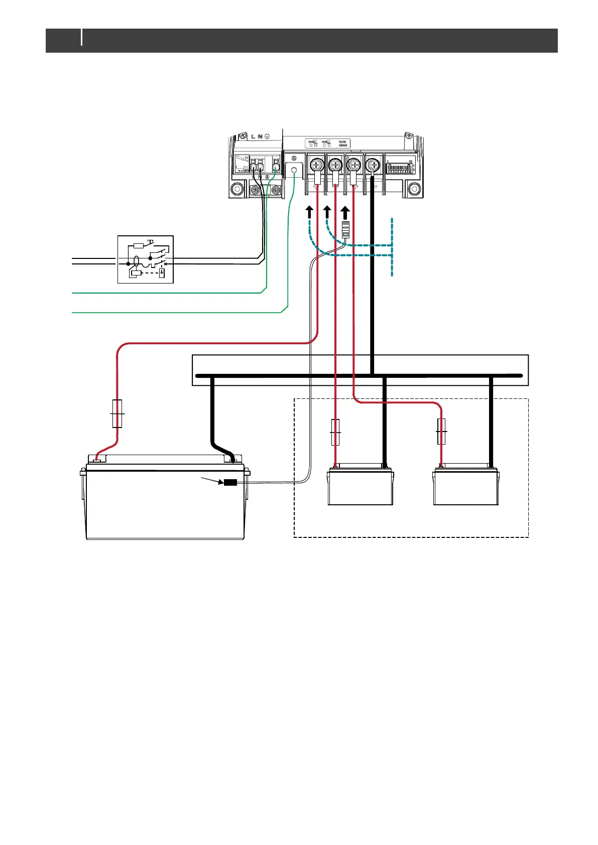
3.7 Connection example
This schematic illustrates the general placement of the ChargeMaster Plus in a circuit. It is not meant to
provide detailed wiring instructions for any particular electrical installation.
Figure 3: Installation drawing of the ChargeMaster Plus
* Use only one of the two options.
When installing the AC wires, keep extra length available for the PE, ensuring the PE will be the last
wire to get taut if the wire slips through the anchorage.
Notes:
- If the battery temperature remains within 15-25°C (59-77°F), connection of the battery temperature
sensor is optional.
- Lithium-ion batteries require no temperature sensor.
- If creating a parallel system of multiple ChargeMaster Plus units, the units should be excluded from any
isolation measurement system.
CZone/MasterBus
Network
RCD/Breaker
L1
N/L2
PE/GND* option 1
PE/GND* option 2
Battery
fuse
Battery
fuse
Battery
fuse
BATTERY BANK 1
(main battery bank)
BATTERY
BANK 3
BATTERY
BANK 2
Temperature sensor
OPTIONAL
COMMON NEGATIVE ()

Related product manuals