EasyManua.ls Logo

Matthews VIAcode T50 - Dimensions

Matthews VIAcode T50
47 pages
Print Icon
To Next Page IconTo Next Page
To Next Page IconTo Next Page
To Previous Page IconTo Previous Page
To Previous Page IconTo Previous Page
Loading...
9
T50/T100 PTM – User Guide – Version 2 Issue 1
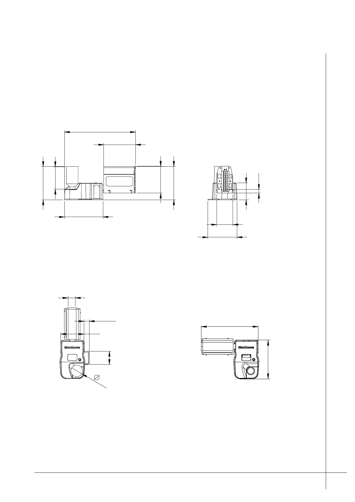
Overview – Print Head Description
Dimensions
Provided below are the external dimensions of the T50/T100. All dimensions are provided in
inches (rounded to two d.p.) and mm.
Net weight 10 lb. (4,9 kg)
Figure 5 - External dimensions
14.23 (363,64 mm )
9.76 (248,03 mm)
8.02″ (203,80 mm)
9.76″ (248,03 mm)
8.43″ (214 mm)
6.79″ (172,50 mm)
8.48″ (215,50 mm)
5.67″ (144 mm)
17.99″ (456,83 mm)
3.35″ (85,20 mm)
1.28″ (32,60 mm)
2.95″ (75 mm)
5.93″ (150,71 mm)
1.85″ (47 mm)
4.09″ (104 mm)
7.35″
(
186,70 mm)
4.25″ (108 mm)
0.91″ (23 mm)

Related product manuals