EasyManua.ls Logo

McFarlane 4100 Series - Page 62

McFarlane 4100 Series
104 pages
Print Icon
To Next Page IconTo Next Page
To Next Page IconTo Next Page
To Previous Page IconTo Previous Page
To Previous Page IconTo Previous Page
Loading...
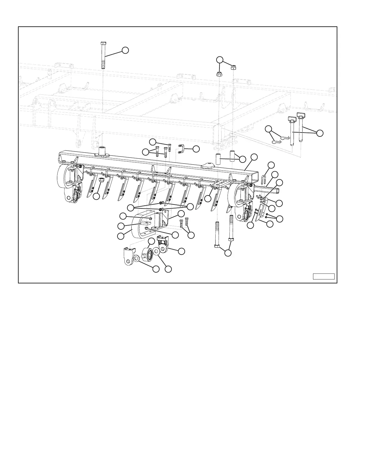
Reel Disk from McFarlane Mfg. 62 800-627-8569
Disk Mount and Scrapers for RD-4100 Series
MFM-00097
7
34
33
10
11
1
23
25
26
24
22
21
2
2
8
3
9
4
13
14
20
17
5
19
15
12
12
18
16
28
27
6

Table of Contents

Related product manuals