EasyManua.ls Logo

Mercury MerCruiser MCM 502 Mag MPI - Page 435

Mercury MerCruiser MCM 502 Mag MPI
1027 pages
Print Icon
To Next Page IconTo Next Page
To Next Page IconTo Next Page
To Previous Page IconTo Previous Page
To Previous Page IconTo Previous Page
Loading...
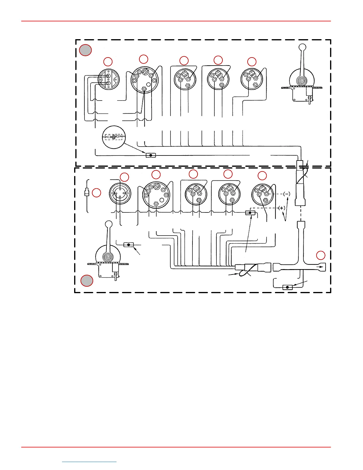
WIRING DIAGRAMS SERVICE MANUAL NUMBER 23
Page 4E-24 90-861326--1 MARCH 1999
Dual Station Wiring (Using a Neutral Safety Switch in Engine Wiring Harness)
72942
BRN/WHT
PUR
GRY
BLK
YEL/RED
PUR
PUR
GRY
BLK
BLK
LT. BLU
BLK
PUR
TAN
PUR
BLK
RED/PUR
PUR
PUR
GRY
BLK
BLK
PUR
LT. BLU
BLK
PUR
TAN
RED/PUR
PUR
BLK
YEL/RED
YEL/RED
BRN/WHT
YEL/RED
YEL/RED
SEND
SEND
SEND
L
T
L
T
L
T
L
T
SW
12V
12V
12V
12V
GND
UNSW
SIG
GND
GND
GND
B
S
I
SEND SEND SEND
L
T
L
T
L
T
L
T
SW
12V
12V
12V
12V
GND
UNSW
SIG
GND GND
GND
A
B
RED/PUR
1
2
3
4
5
1
2
3 4
5
6
7
1
3
3
2
1
3
3
Downloaded from https://needmanual.com/!
Index

Table of Contents

Related product manuals