EasyManua.ls Logo

METRON QA-90 - Page 85

Default Icon
112 pages
Print Icon
To Next Page IconTo Next Page
To Next Page IconTo Next Page
To Previous Page IconTo Previous Page
To Previous Page IconTo Previous Page
Loading...
A-17
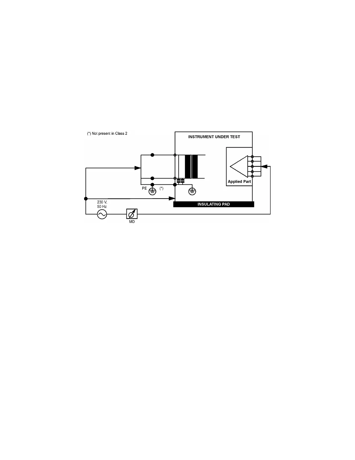
3. Test VDE 0751-1 Test 3 (Replacement Patient Leakage Current) (Ersatz - Patientableit-
strom)
Applicable to Classes 1 and 2, Types BF and CF.
Measures replacement leakage current to mains part from all Applied Parts and enclosure in
parallel.
Maximum leakage current Type BF: 5000 µA. For Type CF: 50 µA (100 µA for CF defib
paddles).

Table of Contents

Related product manuals