EasyManua.ls Logo

Microscan HAWK MV-4000 - Page 53

Microscan HAWK MV-4000
142 pages
Print Icon
To Next Page IconTo Next Page
To Next Page IconTo Next Page
To Previous Page IconTo Previous Page
To Previous Page IconTo Previous Page
Loading...
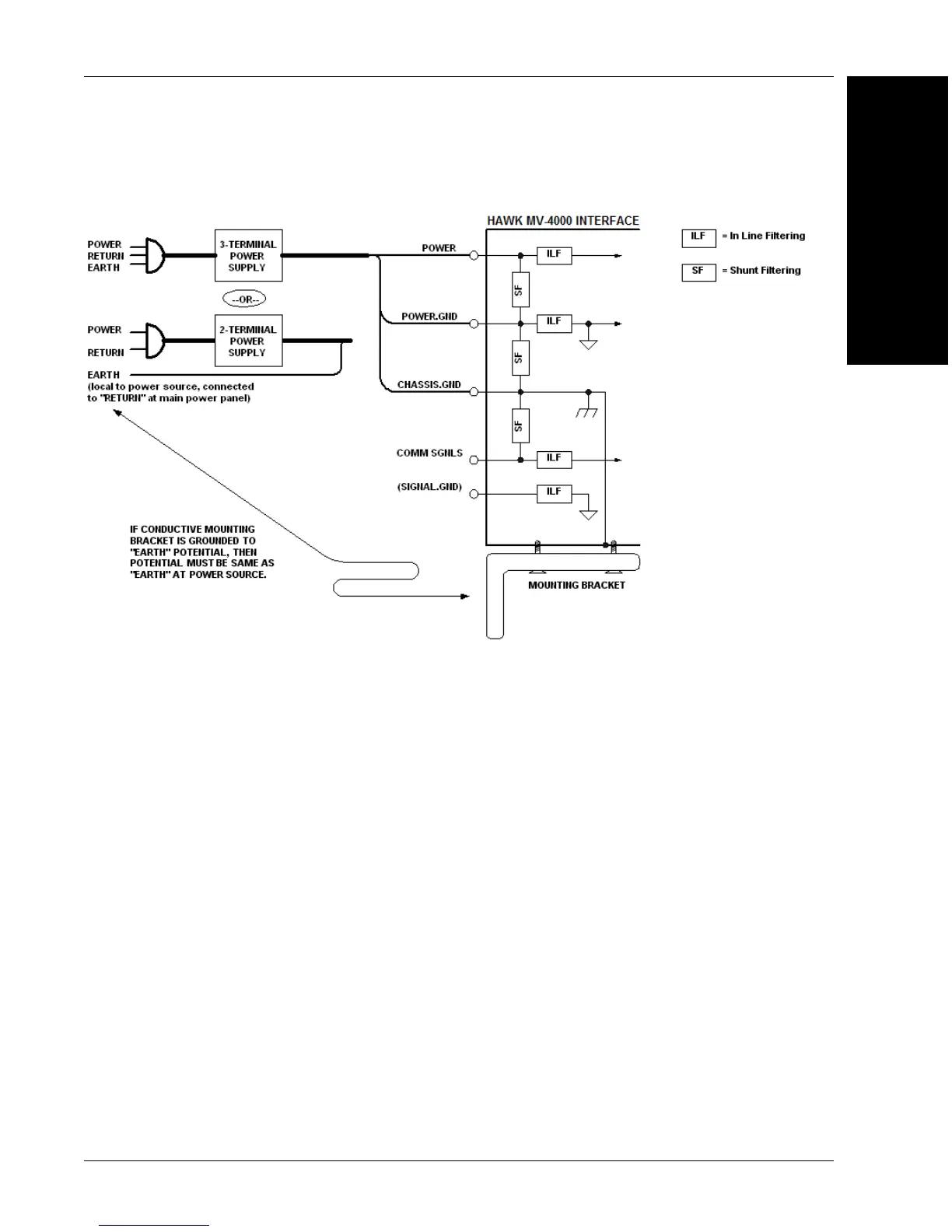
Ground and Shield Considerations
System Components
2
HAWK MV-4000 Smart Camera Guide 2-39
Expected Power and Ground Connections for Proper Operation
Grounding Notes
Ensure that mounting bracket “Earth” is at the same potential as power source “Earth”.
Supply “Return” and “Earth” ground must be stable, low-impedance reference points.
“2-Terminal Power Supply” must still provide an “Earth” connection to the imager.
“Signal Ground” can be used for communications and/or discrete signal ground
reference. It must not be used as Power Ground or Earth Ground.

Table of Contents

Related product manuals