EasyManua.ls Logo

Miller Continuum 500 - Page 50

Miller Continuum 500
64 pages
Print Icon
To Next Page IconTo Next Page
To Next Page IconTo Next Page
To Previous Page IconTo Previous Page
To Previous Page IconTo Previous Page
Loading...
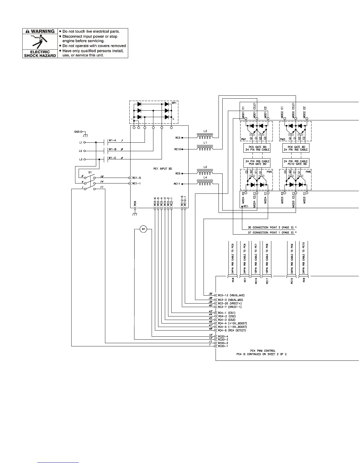
OM-257 798 Page 46
Figure 10-3. Circuit Diagram For Contiuum 500 Model (Page 1 of 2)

Table of Contents

Related product manuals